Use and Care Manual
Table Of Contents

23
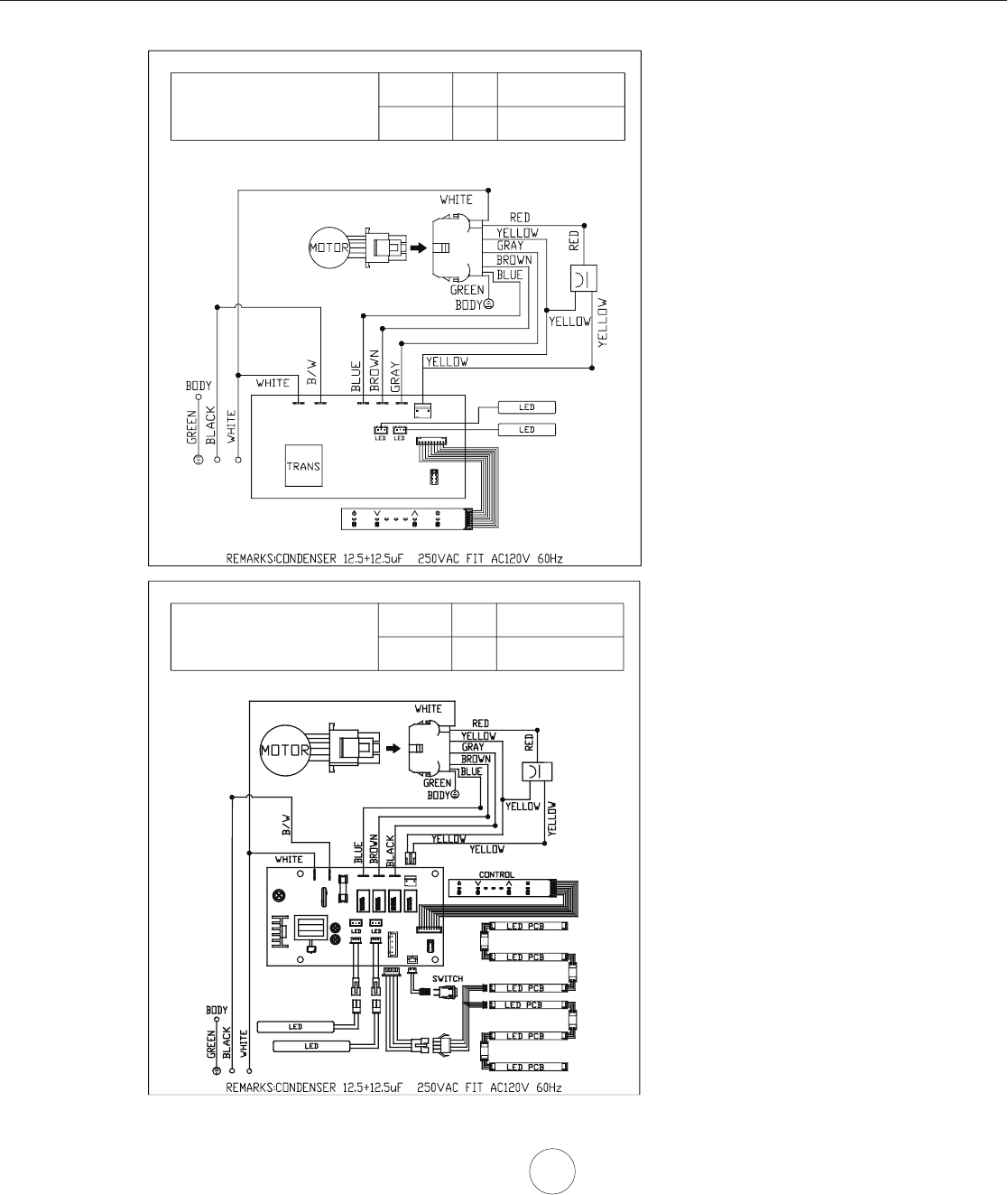
Wiring Diagram
ZAZ, ZRM, ZRE
CIRCUIT DIAGRAM
VOLTS HZ MAX. AMPS
120 60 4
Power consumption shown
for default 600 CFM blower
conguration
ZLC
CIRCUIT DIAGRAM
VOLTS HZ MAX. AMPS
120 60 4
5A 250VA C
A C 1 20V
ZLC -E42B X-P
ACT 390 CFM - Fan Max. @ 2.3A
ACT 290 CFM - Fan Max. @ 1.9A
ACT 390 CFM - Fan Max. @ 2.3A
ACT 290 CFM - Fan Max. @ 1.9A
Power consumption shown
for default 600 CFM blower
conguration










