Range Hood Installation Instructions
Manuals
Brands
Zephyr Manuals
Ventilation Hood
ATI-M90ASX
1
2
3
4
5
6
7
8
9
10
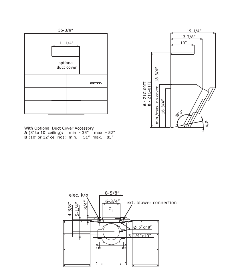
Hood Speci
cations
front of hood
side of hood
top of hood
- 9 -
1
...
...
7
8
9
10
11
...
...
22