Installation Guide and User & Care Guide
Manuals
Brands
Zephyr Manuals
54"
ALUE63AWX Zephyr 63" Lux Designer Collection In- Ceiling Hood with Tri Level Lighting and CleanAir Function - White
1
2
3
4
5
6
7
8
9
10
- 10 -
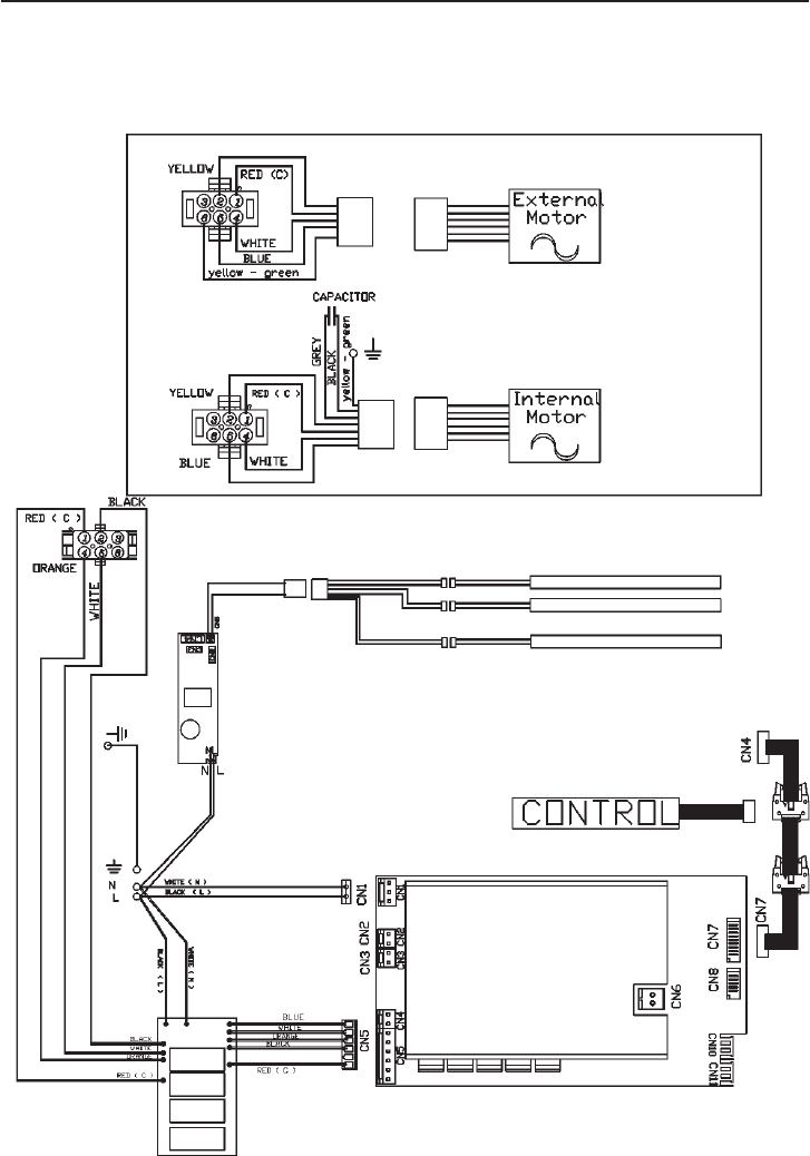
WIRING DIAGRAM
ALU-E43
1
...
...
8
9
10
11
12
...
...
68