User Guide

37
Tempest II Guide d’utilisation, d’entretien et d’installation
ZEPHYRONLINE.COM
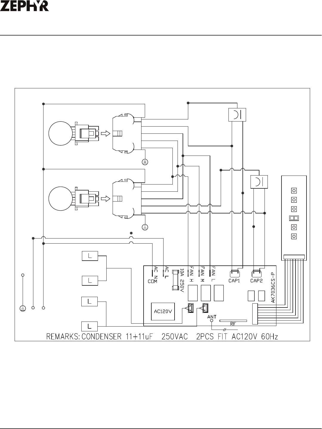
Schéma de câblage
AK7548CS & AK7554CS SCHÉMA
BLANC
ROUGE
JAUNE
GRIS
MARRON
BLEU
VERT
CORPS
BLANC
BLEU
MARRON
GRIS
ROUGE
JAUNE
VERT
CORPS
MOTEUR
MOTEUR
JAUNE
JAUNE
ROUGE
JAUNE
JAUNE
ROUGE
JAUNE
JAUNE
JAUNE
JAUNE
DOUBLE VENTILATEUR EN OPTION
CORPS
VERT
NOIR
BLANC
TRANSFORMATEUR
GRIS
MARRON
BLEU
BLANC
B/W
ACT 390 CFM - Ventilateur Max. 365 W à 3,1 A
ACT 290 CFM - Ventilateur Max. 290 W à 2,4 A










