User Guide

37
Tempest II Use, Care, and Installation Guide
ZEPHYRONLINE.COM
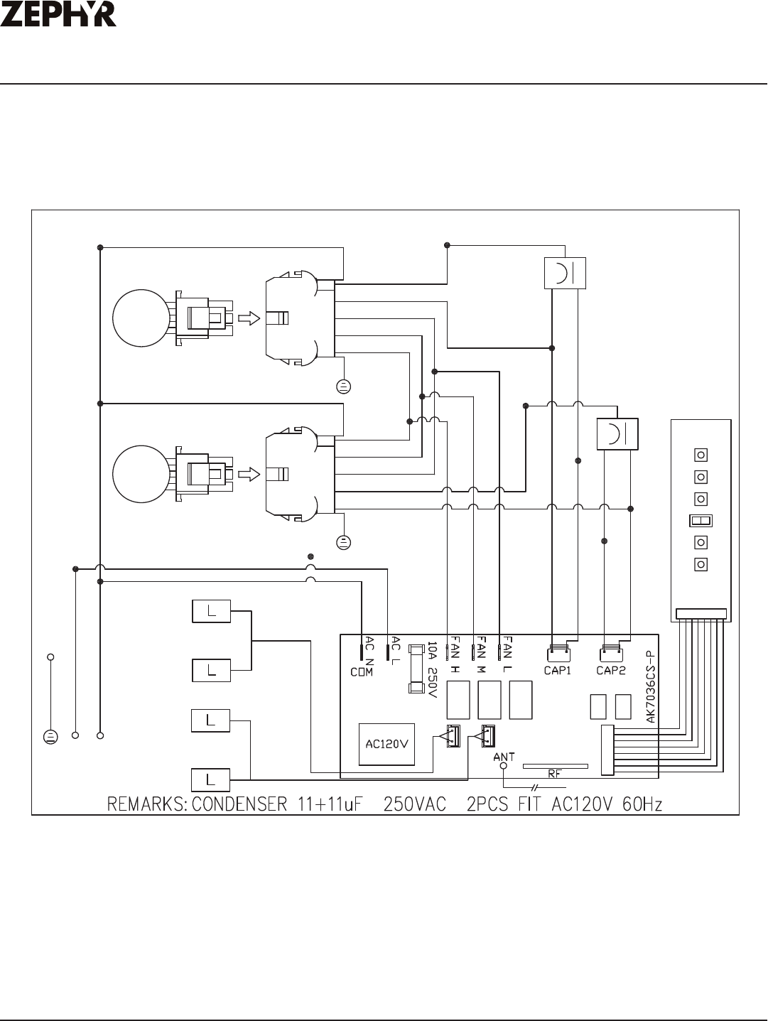
Wiring Diagram
AK7548CS & AK7554CS CIRCUIT DIAGRAM
WHITE
RED
YELLOW
GREY
BROWN
BLUE
GREEN
BODY
WHITE
BLUE
BROWN
GREY
RED
YELLOW
GREEN
BODY
MOTOR
MOTOR
YELLOW
YELLOW
RED
YELLOW
YELLOW
RED
YELLOW
YELLOW
YELLOW
YELLOW
OPTIONAL DUAL FAN
BODY
GREEN
BLACK
WHITE
TRANSFORMER
GREY
BROWN
BLUE
WHITE
B/W
ACT 390 CFM - Fan Max. 365W @ 3.1A
ACT 290 CFM - Fan Max. 290W @ 2.4A










