YOKB-YZ4SF YZ-4 SF Buggy Manual

27. バッテリープレートの取り付け
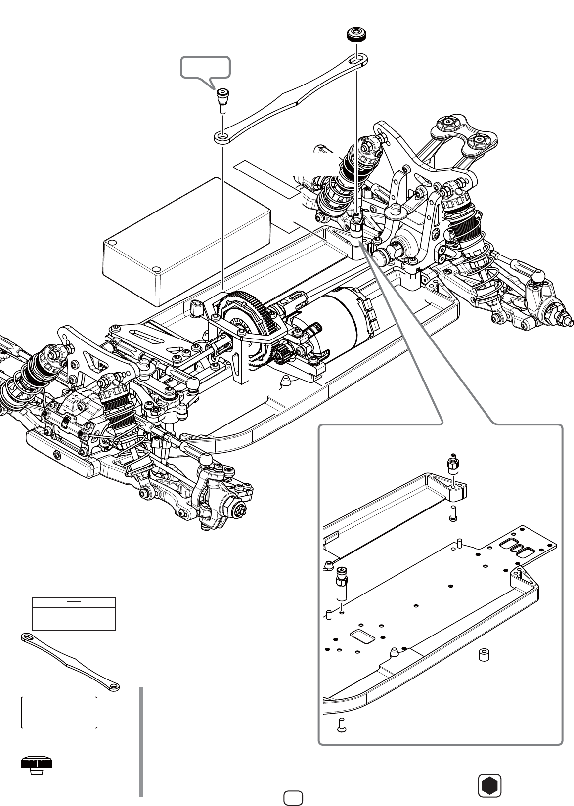
Battery Plate Installation
26
袋 #15 の内容
Bag #15 Contents
S4-118P
バッテリープレート
Battery Plate
S4-118BM
バッテリーホルダーナット
Battery Holder Nut
バッテリースペーサーはバッテリー搭載時に、後方に入れてご使用下さい。
When installing the battery, place the battery spacers in the rear.
S4-118BS
バッテリースペーサー
Battery spacer
P.4 参照
Refer to P.4
S4-118P
バッテリープレート ×1
Battery Plate
S4-118BM
バッテリーホルダーナット ×1
Battery Holder Nut
S4-118BS
バッテリースペーサー ×1
Battery spacer
ZC-F310
M3x10 サラビス ( 別売 )
FHS Screw
(not included)
ZC-BH310
M3x10 ボタンヘッド ( 別売 )
BHS Screw
(not included)
ポストスペーサーを取外すと 1 セルサイズ・
ショート Li-Po がフィットします。
この仕様で組む際は M3x10 ボタンヘッド、
M3x10 サラビスは別途ご用意ください。
Removing the post spacer will allow
a 1S-size shorty Li-Po pack to fit.
Please use a M3x10 button head
screw and a M3x10 flat head screw
(not included) for this configuration.
1 セルサイズ・ショート Li-Po に対応
Compatible with 1S-size shorty Li-Po packs
S4-002SP
ポストスペーサー
Post spacer
2.0
六角レンチ(2.0mm)
Allen Key ( 2.0mm )










