YOKB-YZ4SF YZ-4 SF Buggy Manual

ZC-SS34
M3x4 セットスクリュー
Set Screw
1.5
スタビホルダー
Sway Bar Holder
ZC-BH26
M2x6 ボタンヘッド
BH Screw
ZC-C212
M2x12 キャップスクリュー
SH Screw
④
②
③
①
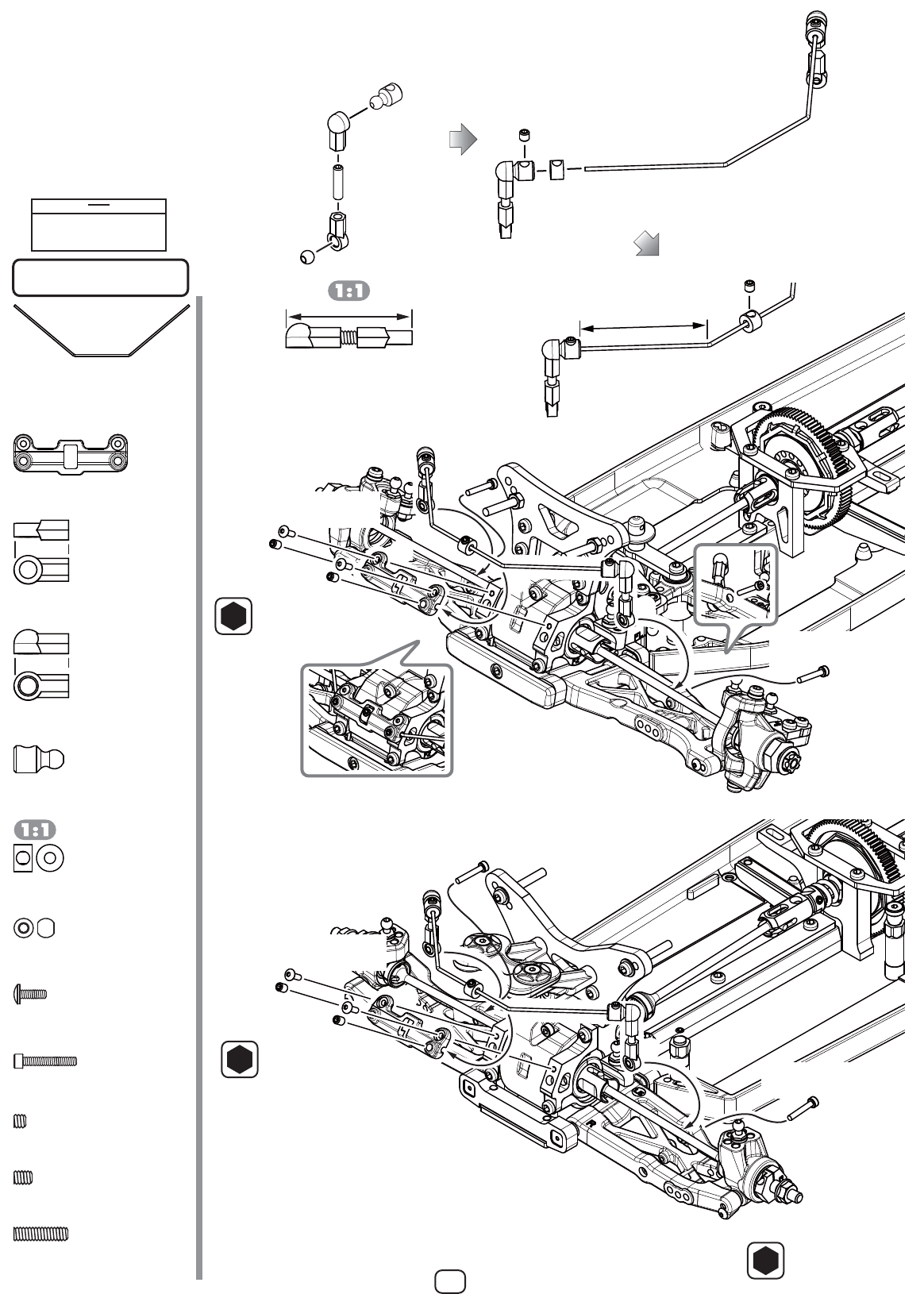
19. スタビライザーの取り付け
Sway Bar Installation
18
ZC-206AH
スタビボール ×4
Anti-Roll Bar Ball
ZC-207S
ボールエンドキャップ ×4
Closed Ball End
ZC-207S
ボールエンド ×4
Open Ball End
ZC-SS34
M3x4 セットスクリュー ×4
Set Screw
ZC-206A
M3x3 セットスクリュー ×6
Set Screw
ZC-SS312
M3x12 セットスクリュー ×4
Set Screw
S4-412WS
スタビライザーφ1.0、1.4 × 各 1
Sway Bar φ1.1, 1.4 1Ea
S4-412WH
スタビライザーφ1.6、1.8 × 各 1
Sway Bar φ1.6, 1.8 1Ea
M3x4 セットスクリュー、ストッパーはスタビライザーが、
ガタなくスムーズに動くように調整してください。
Adjust the M3x4 Set Screws and stopper to remove
any play, but allow the sway bar to swivel smoothly.
このページで使用するパーツ
Parts used on this page
28 ㎜
1.5
六角レンチ(1.5mm)
Allen Key ( 1.5mm )
袋 #10 の内容
Bag #10 Contents
ZC-207S
ボールエンド
Open Ball End
ZC-207S
ボールエンドキャップ
Closed Ball End
ZC-206AH
スタビボール
Anti-Roll bar ball
ZC-SS312
M3x12 セットスクリュー
Set Screw
S4-412B
スタビボール
Anti-Roll bar ball
S4-412B
スタビボール ×4
Anti-Roll Bar Ball
ZC-412SBK
ストッパー ×2
Stopper
Front/37 ㎜
Rear/34 ㎜
ZC-SS33
M3x3 セットスクリュー
Set Screw
ZC-SS33
M3x3 セットスクリュー
Set Screw
ZC-412SBK
ストッパー
Stopper
スタビライザー
Sway Bar
F/1.0 ㎜ R/1.4 ㎜ ( ダート◆Dirt)
F/1.6 ㎜ R/1.8 ㎜
( カーペット / 人工芝◇Carpet/Astroturf)
ZC-BH26
M2x6 ボタンヘッド ×4
BH Screw
ZC-C212
M2x12 キャップスクリュー ×4
SH Screw
S4-412H
スタビホルダー ×2
Sway Bar Holder
ZC-SS34
M3x4 セットスクリュー
Set Screw
1.5
ZC-BH26
M2x6 ボタンヘッド
BH Screw
ZC-C212
M2x12 キャップスクリュー
SH Screw
④
②
③
①
スタビホルダー
Sway Bar Holder
◆フロント用、リヤ用各 2 セットを作ります。◆
Assemble 2 front and 2 sway bar rod.










