Manual
Table Of Contents
- CONTENTS
- 1. INTRODUCTION
- 2. HANDLING CAUTION
- 3. ABOUT PROFIBUS PA
- 4. GETTING STARTED
- 5. CONFIGURATION
- 6. CALIBRATION
- 7. IN-PROCESS OPERATION
- 8. DIAGNOSTIC INFORMATION
- 9. GENERAL SPECIFICATIONS
- APPENDIX 1. LIST OF PARAMETERS FOR EACH BLOCK OF THE EJA
- APPENDIX 2. LIST OF DTM MENU
- APPENDIX 3. LIST OF PDM (EDDL) MENU
- REVISION RECORD

IM 01C22T03-00E
2-2
2. HANDLING CAUTION
b. FM Intrinsically Safe Type
EJA Series differential, gauge, and absolute
pressure transmitters with optional code /FS15.
• Applicable standard: FM3600, FM3610, FM3611,
FM3810, ANSI/NEMA250
• FM Intrinsically Safe Approval
[Entity Model]
Class I, II & III, Division 1, Groups A, B, C, D, E,
F & G, Temperature Class T4 Ta=60°C, Type 4X
and Class I, Zone 0, AEx ia IIC, Temperature Class
T4 Ta=60°C, Type 4X
[FISCO Model]
Class I, II & III, Division 1, Groups A, B, C, D, E,
F & G, Temperature Class T4 Ta=60°C, Type 4X
and Class I, Zone 0, AEx ia IIC, Temperature Class
T4 Ta=60°C, Type 4X
• Nonincendive Approval
Class I, Division 2, Groups A, B, C & D
Temperature Class T4 Ta=60°C, Type 4X and
Class II, Division 2, Groups F & G Temperature
Class T4 Ta=60°C, Type 4X and Class I, Zone 2,
Group IIC, Temperature Class T4 Ta=60°C, Type
4X and Class III, Division 2, Temperature Class T4
Ta=60°C, Type 4X
• Electrical Connection: 1/2 NPT female
• Caution for FM Intrinsically safe type. (Following
contents refer to “DOC. No. IFM018-A12 p.1, p.2,
p.3, and p.3-1.”)
IFM018-A12
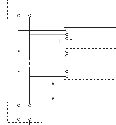
Installation Diagram
(Intrinsically safe, Division 1 Installation)
Non-Hazardous Location
Hazardous Location
F0204.EPS
Ter minator
Safety Barrier
Field Instruments
Pressure
Transmitter
Field Instruments
*1: Dust-tight conduit seal must be used when installed
in Class II and Class III environments.
*2: Control equipment connected to the Associated
Apparatus must not use or generate more than 250
Vrms or Vdc.
*3: Installation should be in accordance with ANSI/
ISA RP12/6 “Installation of Intrinsically Safe
Systems for Hazardous (Classified) Locations” and
the National Electrical Code (ANSI/NFPA 70)
Sections 504 and 505.
*4: The configuration of Associated Apparatus must be
Factory Mutual Research Approved under FISCO
Concept.
*5: Associated Apparatus manufacturer’s installation
drawing must be followed when installing this
equipment.
*6: The EJA100 Series are approved for Class I, Zone
0, applications. If connecting AEx (ib) associated
Apparatus or AEx ib I.S. Apparatus to the Zone 2,
and is not suitable for Class I, Zone 0 or Class I,
Division 1, Hazardous (Classified) Locations.
*7: No revision to drawing without prior Factory
Mutual Research Approval.
*8: Terminator must be FM Approved.
Electrical Data:
• Rating 1 (Entity)
For Groups A, B, C, D, E, F, and G or Group IIC
Maximum Input Voltage Vmax: 24 V
Maximum Input Current Imax: 250 mA
Maximum Input Power Pmax: 1.2 W
Maximum Internal Capacitance Ci: 3.52 nF
Maximum Internal Inductance Li: 0 H
or
• Rating 2 (FISCO)
For Groups A, B, C, D, E, F, and G or Group IIC
Maximum Input Voltage Vmax: 17.5 V
Maximum Input Current Imax: 360 mA
Maximum Input Power Pmax: 2.52 W
Maximum Internal Capacitance Ci: 3.52 nF
Maximum Internal Inductance Li: 0 H
or
• Rating 3 (FISCO)
For Groups C, D, E, F, and G or Group IIB
Maximum Input Voltage Vmax: 17.5 V
Maximum Input Current Imax: 380 mA
Maximum Input Power Pmax: 5.32 W
Maximum Internal Capacitance Ci: 3.52 nF
Maximum Internal Inductance Li: 0 H
Note: In the rating 1, the output current of the barrier must be
limited by a resistor “Ra” such that Io=Uo/Ra. In the rating
2 or 3, the output characteristics of the barrier must be the
type of trapezoid which are certified as the FISCO model
(See “FISCO Rules”). The safety barrier may include a
terminator. More than one field instruments may be
connected to the power supply line.










