User's Manual
Manuals
Brands
Xantrex Manuals
Battery Charger
Xantrex 1000
21
22
23
24
25
26
27
28
29
30
Table Of Contents
Pictures!
Owners Manual
Warnings & Cautions
Table of Contents
Power Features
Protection Features
Supplied Accessories
Parts & Controls
AC Output Panel
DC Input Panel
Installation Considerations
Installation Overview
Normal Load Wiring
Heavy Load Wiring
Installation Codes
Calculating Battery Requirements
Choosing an Effective Charging System
Choosing an Appropriate Location
Calculating Cable Sizes
Calculating Fuse / Circuit Breaker Size
Installation
Required Tools
Required Materials
Mounting the Inverter
Connecting the Chassis Ground
Connecting the DC Cables
Operation
Turning the Inverter On / Off
Operating Several Loads at Once
Turning the Inverter Off Between Charges
Operating Limits
High Surge Loads / Trouble Loads
Routine Maintenance
Troubleshooting
Specs
Mounting Templates
Battery Types / General Battery Info
Alternators and Charging Systems
Warranty
Installation
3–2
975-0127-01-01
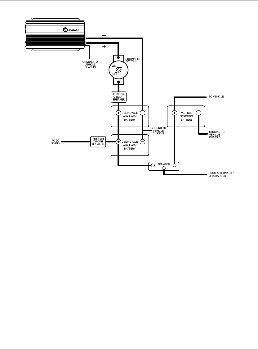
Figure 3-1
Configuration for Normal Loads
1
...
...
19
20
21
22
23
...
...
66