User guide
Manuals
Brands
Wine Guardian Manuals
Equipment
Ducted Split Wine Cellar Cooling Systems (WGS175) - Manual
11
12
13
14
15
16
17
18
19
20
20
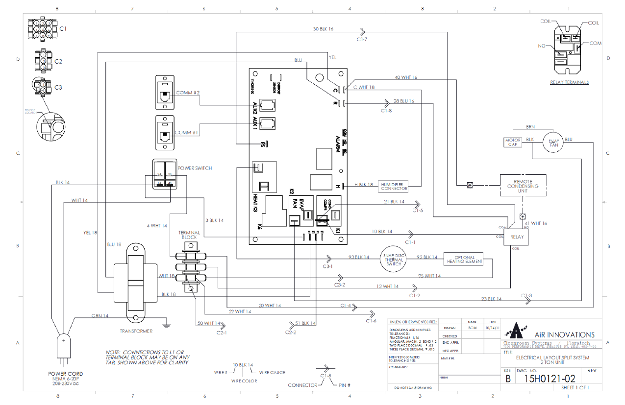
Wiring Diagram for
WG
S100, WGS175 Units
Fig. 6
线路图
1
...
...
17
18
19
20
21
...
...
97