Ninja Operating Instructions

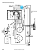
PUMP GROUP (500 PSI)
NINJA INTL 86038610 04/21/08
5-8
REF PART NO. PRV NO. QTY DESCRIPTION
SERIAL NO.
FROM
NOTES:
1 86233150 20042 7 CLAMP, 3/8 HOSE (D-SLOT)
2 86280750 151-38A 1 HOSE, 1/2 WIREBOUND X 21”
3 86197540 40013 2 HOSEBARB, 3/8 MPT X 1/2 DL
4 86199270 250-36 1 BPR 500 PSI
5 86200170 151-42C 1 HOSE, PULSE 15.0 1/4 FBS X 3/8 MPT
6 86197420 31026 3 ELBOW, 3/8 NPT STREET
7 86200840 56005 2 NIPPLE, 3/8 X 1.5 BRASS
8 86197720 66029 3 PLUG, 3/8 MPT
9 86201780 78029 1 TEE, 3/8
10A 86201250 65224 1 PT500PSI PUMP/MOTOR ONLY 220V *
10B 86288840 65221 REF REPLACEMENT MOTOR KIT PRIOR TO SN *
11 86005710 57105 2 NUT, 1/4-20 HEX W/STAR WASHER
12 86010630 87013 2 WASHER, 1/4 ID X 5/8 OD SS
13 86273810 70018 2 SCR, 1/4-20 X 1 HHCS SS
14 86200370 39581 1 HOSE, PULSE 20.0 1/4 MPT X 3/8 MPT
15 86281980 39549 1 HOSE, 1/2” X 5”
16 86008220 73999 1 SCREEN ASM
17 86007250 730000 REF REPLACEMENT SCREEN FOR 73999 NOT SHOWN
18 86201230 65222 REF PT500PSI COMPLETE ASM, 220V
WITH BRASS &
HOSES
19 86201240 65223 REF PT MOTOR W/ CAM 220V NOT SHOWN
20 86201260 65225 REF PT500PSI PUMP HEAD ONLY NOT SHOWN
22 86282310 39699 1 HOSE, 3/8 WIREBOUND X 35”
23 86197550 40014 1 HOSEBARB, 1/4MPT X 3/8 DL
24 86258970 84193 1 VALVE, KNGSTN 3” LVR 500 PSI
25 86197670 56023 1 NIPPLE, 1/4 X 1.5
26 86197760 78308 1 TEE, 1/4 STREET
27 86271370 57189 2 NUT, 1/4-20 FLANGE LOCK