Manual
Manuals
Brands
Wilbur Curtis Manuals
Coffee machines
G4TP1S
7
8
9
10
11
12
13
14
15
16
14
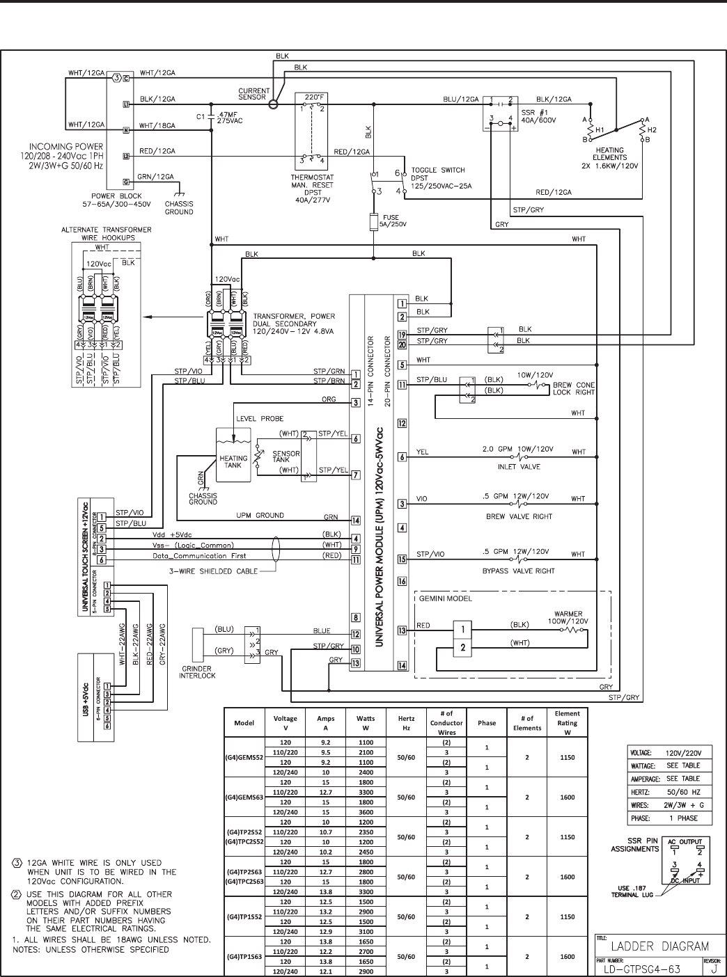
Electrical Schematic
G4TP2S-63
1
...
...
12
13
14
15
16