Owner's manual

Owner’s Manual and Service Guide – SC & SCT Series 30
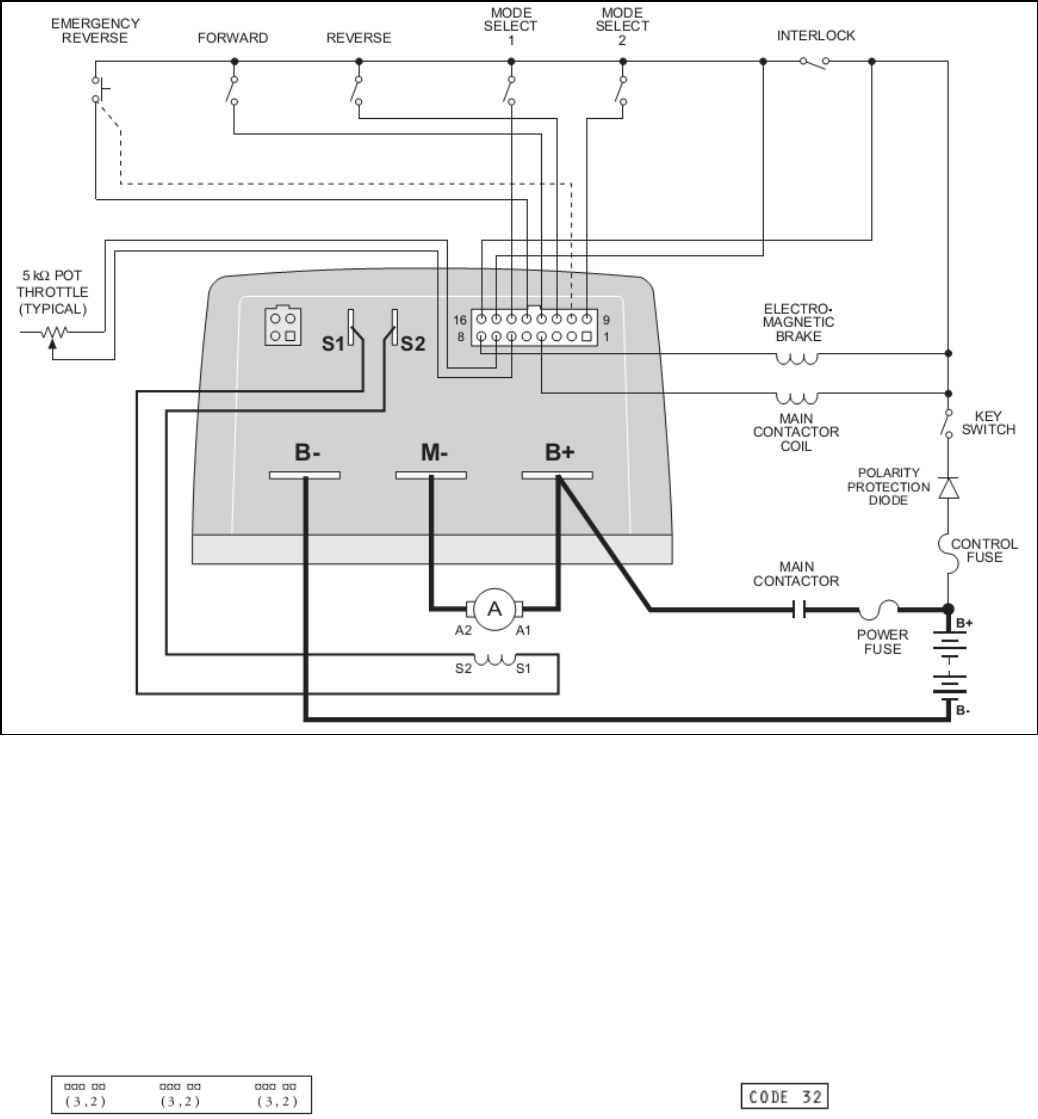
COMPONENTS - ELECTRICAL
Controller Wiring: Typical Controller wiring configuration of PC series vehicles. The interlock switch is a seat switch or foot switch
and there is no emergency reverse.
Diagnostics and Troubleshooting: The controller provides diagnostics information to assist technicians in troubleshooting drive
system problems. The diagnostics information can be obtained by observing the appropriate display on the handheld programmer,
the fault message displayed on the Spyglass gauge, the fault codes issued by the Status LED, or the fault display driven by the
controller’s fault outputs.
Programming Diagnostics: The handheld programmer presents complete diagnostic information in plain language. Faults are
displayed in the System Faults Menu, and the status of the controller inputs/outputs is displayed in the Monitor Menu. Accessing
the programmer’s Fault History Menu provides a list of the faults that have occurred since the fault history file was last cleared.
Checking (and clearing) the fault history file is recommended each time the vehicle is brought in for maintenance. For information
on 1311 programmer operation, contact Wesley for a user manual or download a copy of the manual from www.packmule.com.
Spyglass Diagnostics: The eight-character LCD on the Spyglass displays a continuous sequence of hour meter, battery state-of-
charge, and fault messages. Fault messages are displayed using the same codes that are flashed by the LED. For example, the
LED flashes 3,2 for a welded main contactor:
And the corresponding Spyglass message is:
When a fault message is being displayed, the red Fault LED (labeled with a wrench symbol) flashes to catch the operator’s
attention.