Use and Care Manual
Manuals
Brands
WEN Manuals
Power Tools
3.5 Amp 1/2 HP Oscillating Spindle Sander
11
12
13
14
15
16
17
18
19
20
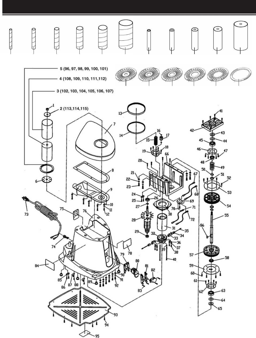
EXPLODED
VIEW & P
AR
TS LIST
16
96
97
98
99
100
101
102
103
104
105
106
107
108
109
110
111
112
1
...
...
14
15
16
17
18
19
...
20