Product Manual
Table Of Contents

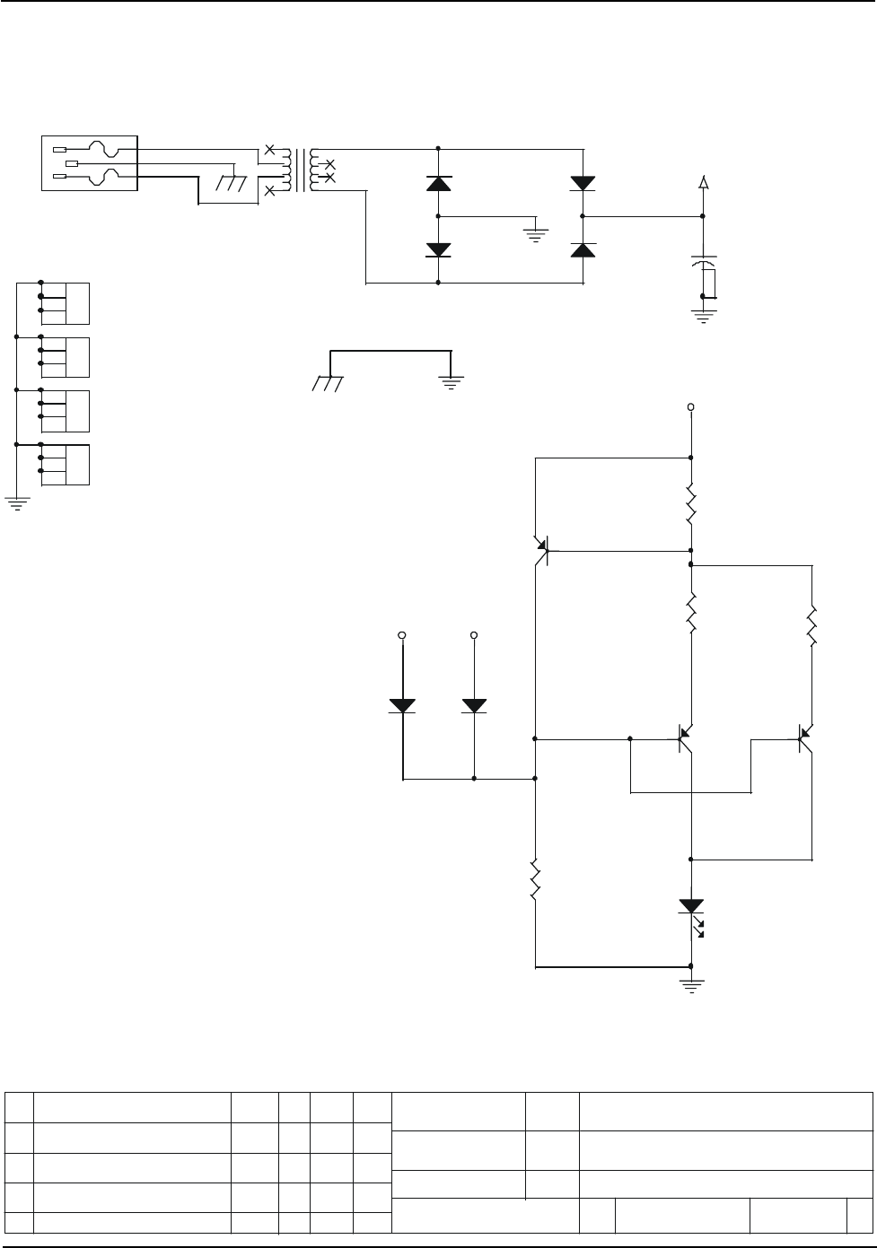
14 WELCH ALLYN UNIVERSAL DESK CHARGER SERVICE MANUAL 711380
GND_POWER
ACOUT1
+VRAW
ONLEDSENSE
ONLEDANODE
ONLED1 ONLED2
ONLEDCTL
ACIN1
GND_ESD
ACIN2
ACOUT2
+VRAW
+VRAW
+CHARGE1 +CHARGE2
T1
TRANSFORMER, DESK CHARGER
1
4
2
3
5
6
7
8
R5
20
12
D5
1N4004
12
D1
1N4004
1 2
R1
49.9
1 2
Q1
2N4403
2
13
Q3
2N4403
2
13
J2
SCREW
1
2
3
4
1
2
3
4
D4
1N4004
1 2
R2
10K
1 2
D2
1N4004
12
+
C1
1000 uF, 50V
12
3
D6
1N4004
12
J3
SCREW
1
2
3
4
1
2
3
4
LED1
GREEN
12
Q2
2N4403
2
13
R4
20
12
F1
F2
PE1
AC IN LET, IEC 320 CO NNECTOR
1
2
3
D3
1N4004
12
J1
SCREW
1
2
3
4
1
2
3
4
J4
SCREW
1
2
3
4
1
2
3
4
INITIAL RELEASE TO PRODUCTIONA PDL 1-9-01
X4
Welch Allyn
711118
Thursday, March 15, 2001 11B
Universal Charger PCB
PDL
RGA
<REL TO PRODUCTION>
1-9-01
3/15/01
<REL_DATE>
Size
DWG NO
Rev
Sheet of
THESE DRAWINGS AND SPECIFICATIONS ARE THE PROPERTY OF WELCH ALLYN, INC.
AND SHALL NOT BE REPRODUCED, OR COPIED, OR USED AS A BASIS FOR SALE OR
MANUFACTURE OF EQUIPMENT OR DEVICES WITHOUT WRITTEN PERMISSION.
Copyright
DRAWN
APPROVED
REL TO PRODUCTION
DATE
DATE
DATE TITLE
APPRVDATEINITECNREVISION DESCRIPTIONREV
APPENDIX C










