Product Manual
Table Of Contents

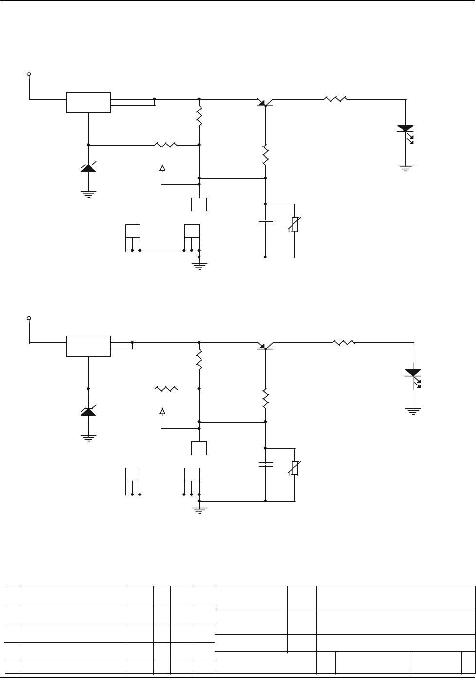
WELCH ALLYN UNIVERSAL DESK CHARGER 15SERVICE MANUAL 711380
LEDCTL1
YELLOW1
VRADJ1
+CHARGE1
LEDCTL2
+CHARGE2
VRADJ2
+LED1
YELLOW2+LED2
VROUT1
VROUT2
+VRAW
+VRAW
+CHARGE1
+CHARGE2
J23
SIDE CONTACT SPRING, NEGATIVE
1
2
3
1
2
3
U21
LM317
3 2
1
4
VI VO
ADJ
TAB
C11
0.1 uF
12
R23
150
1 2
RV11
TRANSGUARD, 18V
12
J21
CENTER CONTACT SPRING, POSITIVE
1
J13
SIDE CONTACT SPRING, NEGATIVE
1
2
3
1
2
3
R11
301
1 2
R13
150
1 2
LED11
YELLOW
12
RV21
TRANSGUARD, 18V
12
J22
1
2
3
1
2
3
C21
0.1 uF
12
R14
301
1 2
J12
1
2
3
1
2
3
R12
20
12
Q21
2N4403
2
1 3
D21
1N4692 (6.8v)
1 2
D11
1N4692 (6.8v)
1 2
R22
20
12
LED21
YELLOW
12
J11
CENTER CONTACT SPRING, POSITIVE
1
R24
301
1 2
U11
LM317
3 2
1
4
VI VO
ADJ
TAB
Q11
2N4403
2
1 3
R21
301
1 2
INITIAL RELEASE TO PRODUCTIONA PDL 1-9-01
X4
Welch Allyn
711118
Thursday, March 15, 2001 11B
Universal Charger PCB
PDL
RGA
<REL TO PRODUCTION>
1-9-01
3/15/01
<REL_DATE>
Size
DWG NO
Rev
Sheet of
THESE DRAWINGS AND SPECIFICATIONS ARE THE PROPERTY OF WELCH ALLYN, INC.
AND SHALL NOT BE REPRODUCED, OR COPIED, OR USED AS A BASIS FOR SALE OR
MANUFACTURE OF EQUIPMENT OR DEVICES WITHOUT WRITTEN PERMISSION.
Copyright
DRAWN
APPROVED
REL TO PRODUCTION
DATE
DATE
DATE TITLE
APPRVDATEINITECNREVISION DESCRIPTIONREV
APPENDIX C










