User Documentation

Table Of Contents
Betrieb
5662290000/01/08.10
19
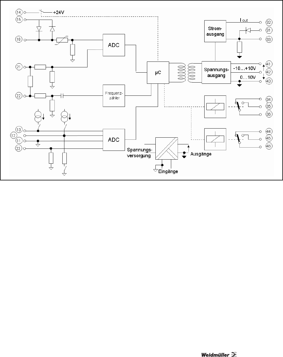
5.2 Funktionsplan
Abbildung 4 Funktionsplan