User Documentation
Manuals
Brands
Weidmueller Manuals
Assembly
PVN1M2I6SXF3V2O0TXPX10
45
46
47
48
49
50
51
52
53
54
51
2690250000/02/02.2020
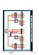
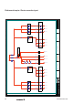
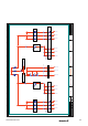
ANHANG
Elektroanschlussplan
52
APPENDIX
Electrical connection layout
52
1
...
...
49
50
51
52
53
...
54