User Documentation
812722530000/03/09.2020
Page
Total no. of pages
PV NEXT
Name
+
Date
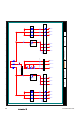
UZ2
Schematic Diagram
21 1110 13 146
4
7
1
3
=
Brief description
84 5
9 12 15
Drawing numberPage descriptionProject description Revision
Rev.
Installation site
Mounting location
Designation:
Date Name
Edited by
70120
String Combiner Box
OPTION OPTION OPTION
OPTION/
CABLE GLAND
OPTIONOPTION
OPTION/
CABLE GLAND
CABLE
GLAND
OPTION
+UZ2
1
-XD2
IN+
2 3
1
-XD10
1
-XD11
1
-XD12
1
-XD13
1
-XD15
1
-XD14
-XD1
OUT+
1
2 3 4
1
2
-FC1
1
2
-FC2
1
2
-FC3
1
-XE1
2
1
2
-FA1
1
2
-FA2
1
2
-FA3
2+
2+
+UZ1-QB1
+UZ1/1.6
+UZ1/1.12
/1.12
+UZ3/1.6
+UZ3/1.12
-XD2
4
1
-XD3
IN-
2 3
-XD4
OUT-
1
2 3 4
1
2
-FC4
1
2
-FC5
1
2
-FC6
2-
2-
+UZ1-QB1
+UZ1/1.6
+UZ1/1.12
/1.6
+UZ3/1.6
+UZ3/1.12
-XD3
4
-XD5
11 (COM) 14 (NO) 12 (NC)
12
11
14
-FA1
12
11
14
-FA2
12
11
14
-FA3
1
-XD19
1
-XD20
1
-XD21
1
-XD16
1
-XD18
1
-XD17
+UZ2-XD10
/
+UZ2-XD11
/
+UZ2-XD12
/
+UZ2-XD13
/
+UZ2-XD14
/
+UZ2-XD15
/
+UZ2-XD5:11
/
+UZ2-XD5:14
/
+UZ2-XD5:12
/
+UZ2-XD16
/
+UZ2-XD17
/
+UZ2-XD18
/
+UZ2-XD19
/
+UZ2-XD20
/
+UZ2-XD21
/
+UZ2-XE1:2
/ +UZ3/1.8
+UZ1-XE1:2
/+UZ1/1.9










