Datasheet

Data sheet
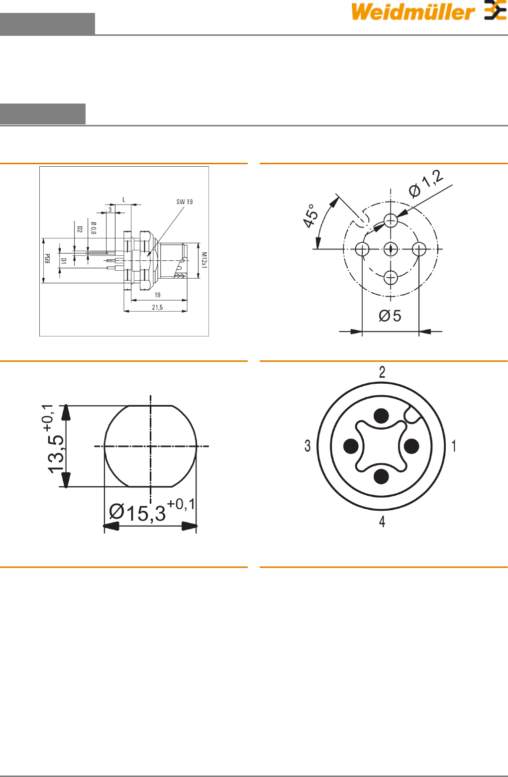
SAIE-M12S-4-H5.5TL-PG9
Weidmüller Interface GmbH & Co. KG
Klingenbergstraße 16
D-32758 Detmold
Germany
Fon: +49 5231 1429-0
Fax: +49 5231 14292083
www.weidmueller.com
Drawings
Creation date October 13, 2016 11:56:20 AM CEST
Catalogue status 12.10.2016 / We reserve the right to make technical changes. 3
Dimensioned drawing
L (board-to-board distance) = 5.5mm
D1 = 5,0 mm
D2 = 1,6 mm
PCB design
Front panel section Pole scheme
M12 = A-coded