Datasheet

Datenblatt
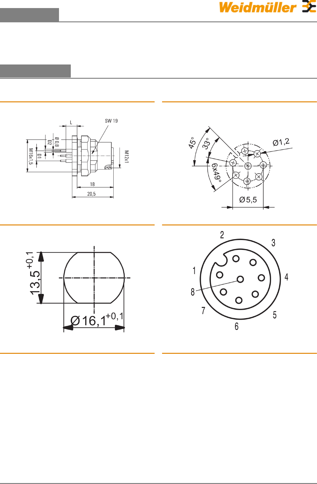
SAIE-M12B-8-H5.5TL-M16
Weidmüller Interface GmbH & Co. KG
Klingenbergstraße 16
D-32758 Detmold
Germany
Fon: +49 5231 1429-0
Fax: +49 5231 14292083
www.weidmueller.com
Zeichnungen
Erstellungs-Datum 13. Oktober 2016 11:36:19 MESZ
Katalogstand 12.10.2016 / Technische Änderungen vorbehalten 3
Maßzeichnung
L(Leiterplattenabstand) = 5,5 mm
D1 = 5,5 mm
D2 = 1,4 mm
Leiterplatten-Layout
Frontplattenausschnitt Polbild
M12 = A-Codiert