Data Sheet
Manuals
Brands
Weidmüller Manuals
Connectors
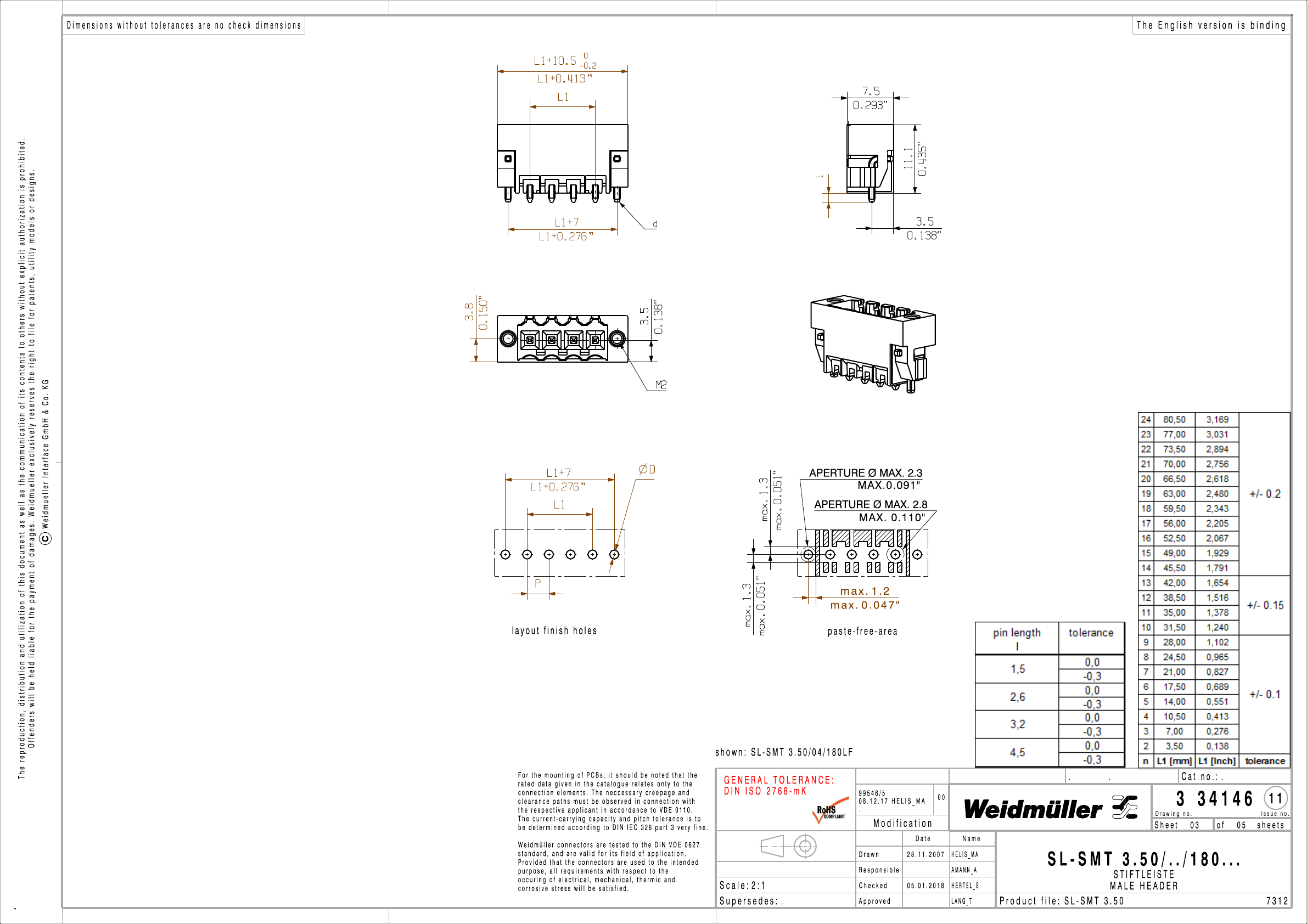
Pin strip SL-SMT 3.50/11/180 LF 3.2SN BK BX Weidmüller 36 pc(s)
1
2
3
4
5
6
7
8
Table Of Contents
2014_Datasheet_PCB_Single_Doublewave_Profile_EN
2014_Datasheet_PCB_Reflow_Profile_EN
1
...
...
4
5
6
7
8