Owner's manual

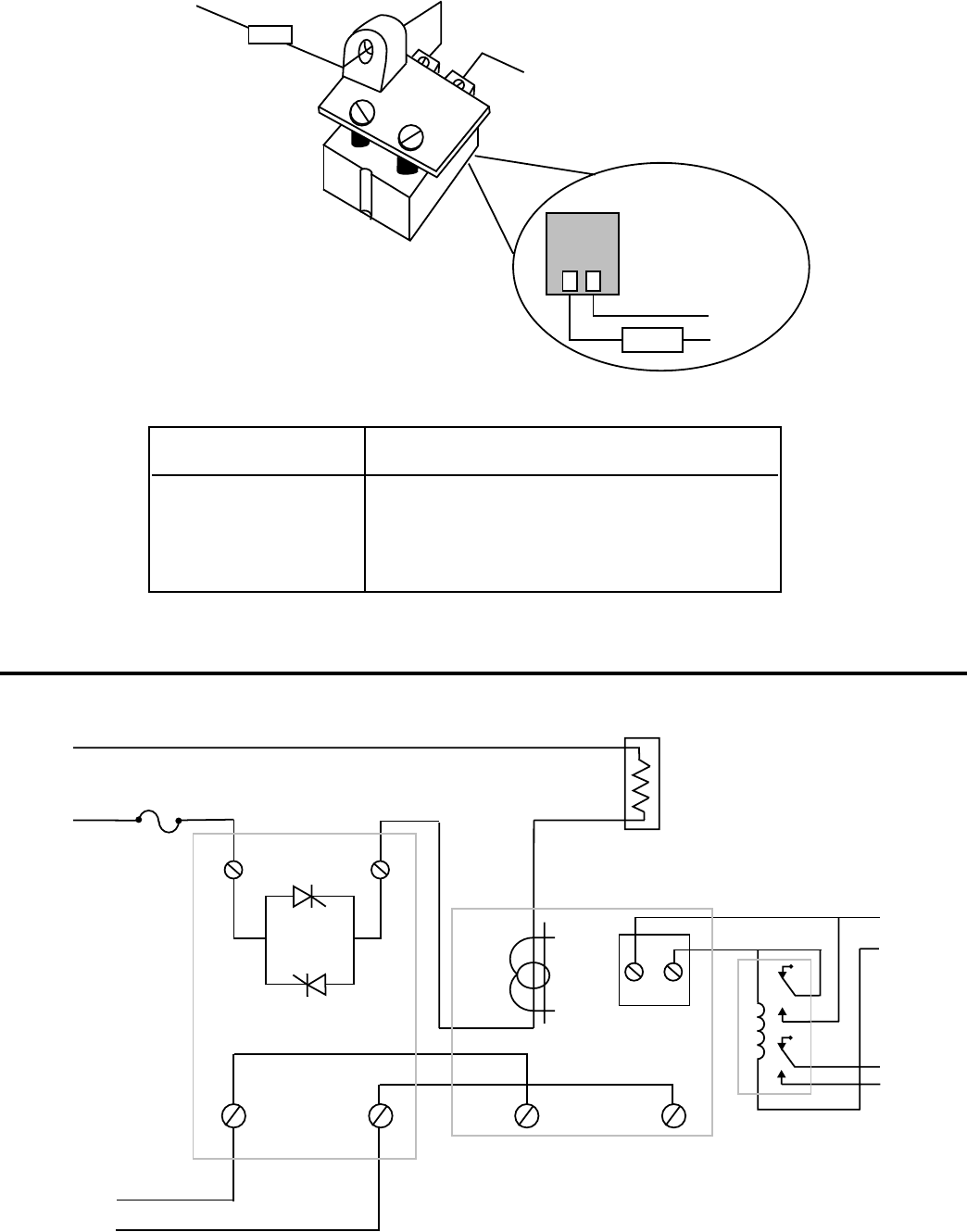
To Heater
TB1
2 1
(See below for wiring.)
Load
Line
Fuse
L1
L2
Load Number of Passes of Load Wire
Current Through Current Transformer
2 to 3 Amps 5
3 to 4 Amps 4
4 to 5 Amps 3
5 to 10 Amps 2
10 to 40 Amps 1
Load
Semiconductor
Fuse
AC Line
Voltage
DC
Input
Signal
L1
L2
-
+
- +
Input
- +
Output
DC Input
Solid State Relay
2 1
120 V~ (ac)
To Alarm
or Contactor
Customer Supplied Relay
(Philips ECG PIY 1055 or equivalent)
TB1
SDA Board
08-5386
Current
Transformer
30A to 20mA
Figure 3 - SDA Card Wiring
Table 1 - Application of 16-0231 Current Transformer
Figure 2 - Three Dimensional View of Wiring
NOTE: The triac connection
between connector TB1 pins
1 and 2 is closed when a
shorted SSR condition is
detected. This output is rated
24 to 240V~ (ac), 300mA @
25°C, 125mA @ 80°C.


