Owner manual

Maximum System Pressure: 2200 psi 152 BAR
Maximum Motor Pressure Drop: 2027 psi 140 BAR
Maximum Rated Input Flow: 15 GPM 57 LPM
Part Number
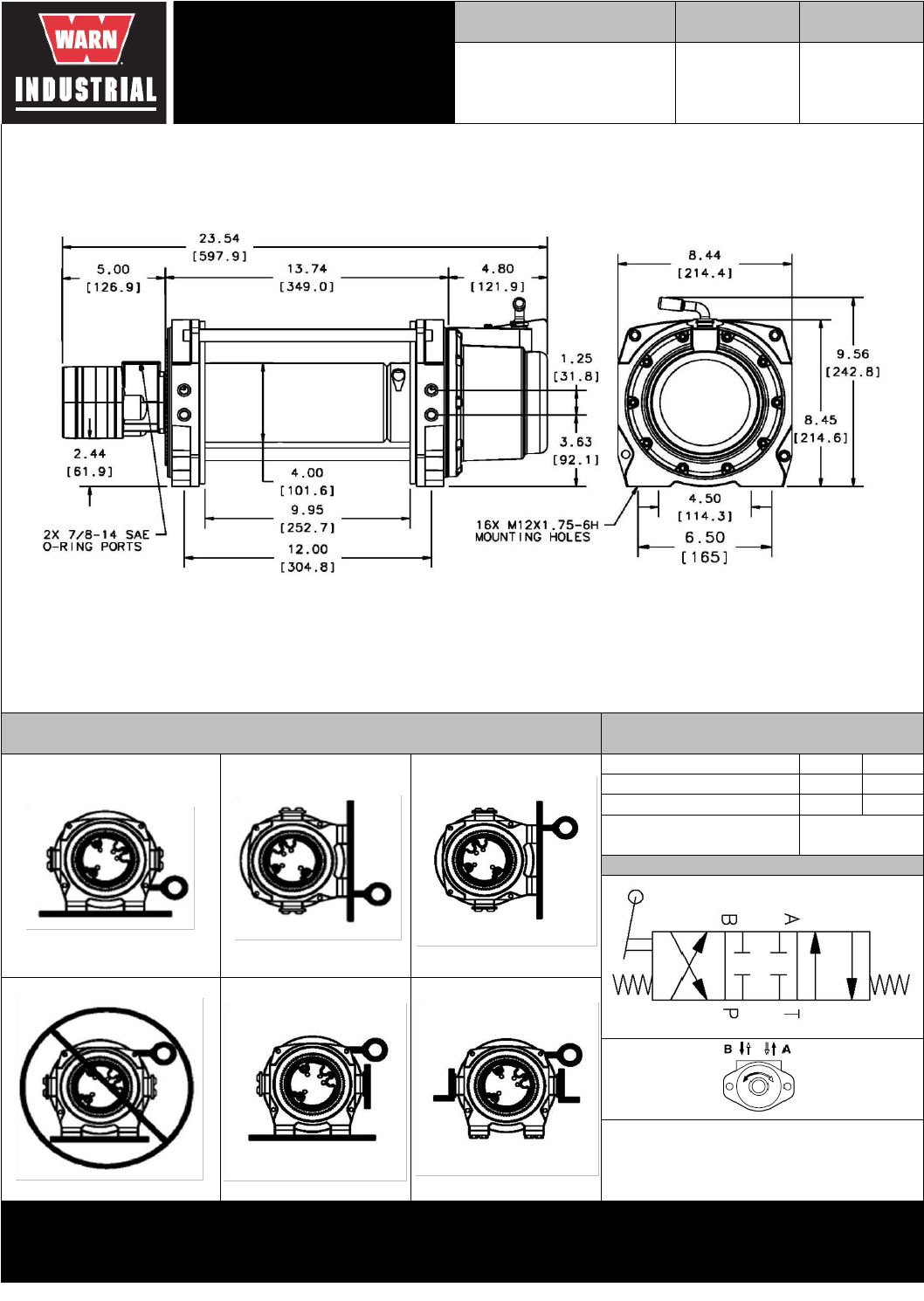
Feet down
image
Pull from top of winch
Feet forward
Pull from top of winch
912488.C2 2/2013
12900 S.E. Capps Road,
Clackamas, OR USA 97015
Customer Service (North America): 1.800.543.9276
Customer Service (International): 1.503.722.3008
FAX: 1.503.722.3000 www.warn.com
WARN INDUSTRIES, INC
Industrial Products
image
Note: Drum rotates clockwise with Port A pressurized when viewed
from gearbox end.
Feet down without angle brace
image
image
Angle Braces Only
Control Valve Type:
3-position, 4-way, closed
center, spring return
(cylinder spool)
Pull from top of winch
image
Control Valve Schematic
Feet forward
Feet down with angle brace
image
schematic
WARN Industrial Winch
Motor / Contactor may be rotated in 90 degree increments. Clutch housing may be rotated in 72 degree increments.
outline drawing
Series 9-C-48
Hydraulic Winch
Manual Clutch
Pull from bottom of winch
Motor Type
Hydraulic
4.9 ci
(80 cc)
Units are given in inches [millimeters], unless otherwise specified
Pull from top of winch
Pull from bottom of winch
Recommended Mounting- Always Observe Correct Drum Rotation
Hydraulic System Specifications
Model
30282


