User guide

Maximum System Pressure: 2200 psi 152 BAR
Maximum Motor Pressure Drop: 2019 psi 139 BAR
Maximum Rated Input Flow: 15 GPM 57 LPM
image
912506.C2 2/2013
12900 S.E. Capps Road,
Clackamas, OR USA 97015
Customer Service (North America): 1.800.543.9276
Customer Service (International): 1.503.722.3008
FAX: 1.503.722.3000 www.warn.com
WARN INDUSTRIES, INC
Industrial Products
image
Note: Drum rotates clockwise with Port A pressurized when viewed
from gearbox end.
Feet down without angle brace
image
image
Feet forward
Feet down
Pull from top of winch
image
Hydraulic System Specifications
Hydraulic
4.9 ci
(80 cc)
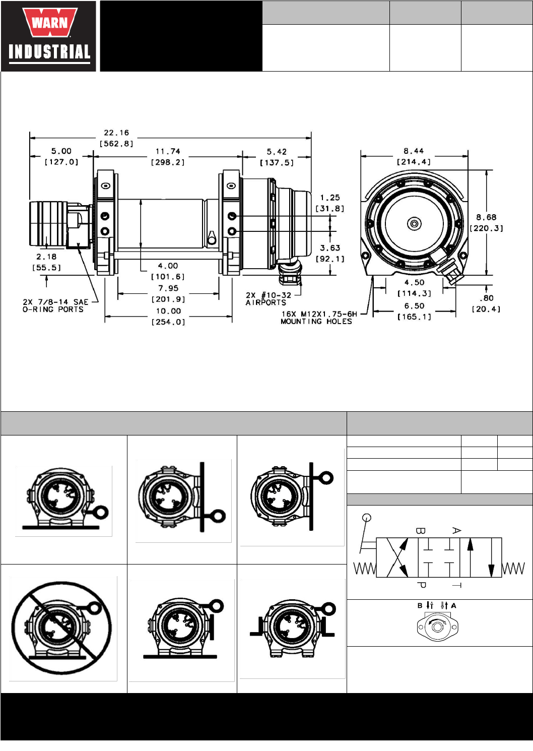
Units are given in inches [millimeters], unless otherwise specified
Pull from top of winch
Pull from bottom of winch
WARN Industrial Winch
Motor / Contactor may be rotated in 90 degree increments. Clutch housing may be rotated in 72 degree increments.
outline drawing
Series 12-C-50
Hydraulic Winch Air
Clutch
Pull from bottom of winch
Motor Type
Model
70576
Part Number
Recommended Mounting- Always Observe Correct Drum Rotation
Control Valve Schematic
Angle Braces Only
3-position, 4-way, closed
center, spring return
(cylinder spool)
schematic
Control Valve Type:
Pull from top of winch
Feet forward
Pull from top of winch
Feet down with angle brace
image


