Environ Flex Manual and Installation Guide

6
Installing The Thermostat
If you are using a thermostat with a oor sensor, place the
sensor under the Environ™ Flex Rolls, centered between
two heat wires, at least 6” (150 mm) into the heated area.
Make a small divot in the underlayment in this spot and
secure the sensor head in the divot with tape. Run the
sensor cable in a channel cut into the underlayment from
the heater and back to the thermostat. The “heater wires”
within the roll are identied as raised parallel lines. The
sensor wire should not cross over the foil heater wires, and
is better placed in a channel cut into the underlayment,
under the roll.
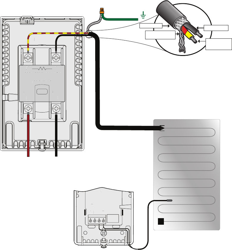
ENSURE THE SYSTEM
IS GROUNDED
HOUSE GROUND
BRAIDED
GROUND SHEATH
COLD LEAD
BLACK WIRE
RED 240V
or
YELLOW 120V
HOT (240V) or
NEUTRAL (120V)
HOT
FROM
POWER
SOURCE
FLOOR
FRONT OF THE BASE
FLOOR SENSOR
LOAD
14
2
3
L1(L)
L2(N)
LINE
1800W/3600W MAX 15A
120/240VAC
FROM
POWER
SOURCE
FLOOR
LOAD
1
4
2
3
L1(L)
L2(N)
LINE
1800W/3600W MAX 15A
120/240VAC
BR1015A10b
© 2015 OJ Electronic A/S
A B C D
out
in / sensor
in / sensor
A
B C
D
ou
t
in / sensor
in / sensor










