Operator`s manual

Table Of Contents
G 50/G 70/G 85 Maintenance
wc_tx000484gb.fm 67
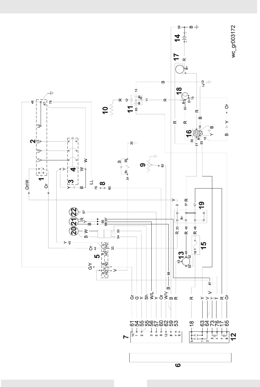
G 50/G 70 Engine Wiring