Operator`s manual
Table Of Contents
- 1 Foreword
- 2. Safety Information
- 2.1 Operating Safety
- 2.2 Service Safety
- 2.3 Operator Safety while using Internal Combustion Engines
- 2.4 Towing Safety
- 2.5 Reporting Trailer Safety Defects
- 2.6 Label Location
- 2.7 Safety and Operating Labels
- 3. Operation
- 3.1 Control Panels
- 3.2 Generator Monitoring
- 3.3 Engine Monitoring
- 3.4 Engine Shutdown Faults
- 3.5 Current Overload Fault
- 3.6 Application
- 3.7 Voltage Selector Switch
- 3.8 Emergency Stop Switch
- 3.9 Main Line Circuit Breaker
- 3.10 Engine Start Switch
- 3.11 Voltage Adjustment Rheostat
- 3.12 Warning Light
- 3.13 Connection Lugs
- 3.14 Ground Connection
- 3.15 Convenience Receptacles
- 3.16 Remote Run Terminal Block
- 3.17 Panel Door Interlock Switch
- 3.18 Terminal Connections
- 3.19 Before Starting
- 3.20 Manual Start-up
- 3.21 Running the Generator
- 3.22 Engine Power Correction Factors
- 3.23 Shutting Down Generator
- 3.24 Cold Weather Start-up
- 3.25 Lifting
- 3.26 Overnight Storage
- 3.27 Long-term Storage
- 3.28 Automatic/Remote Start-up
- 3.29 Remote/Transfer Switch
- 3.30 Towing
- 4. Maintenance
- 4.1 Periodic Maintenance Schedule
- 4.2 New Machines
- 4.3 Resetting the Periodic Maintenance Timer
- 4.4 Air Cleaner
- 4.5 Engine Lubrication
- 4.6 Engine Coolant
- 4.7 Trailer Maintenance
- 4.8 Troubleshooting Automatic Shutdown
- 4.9 Wire Colors
- 4.10 Generator and Receptacle Wiring
- 4.11 Trailer Wiring
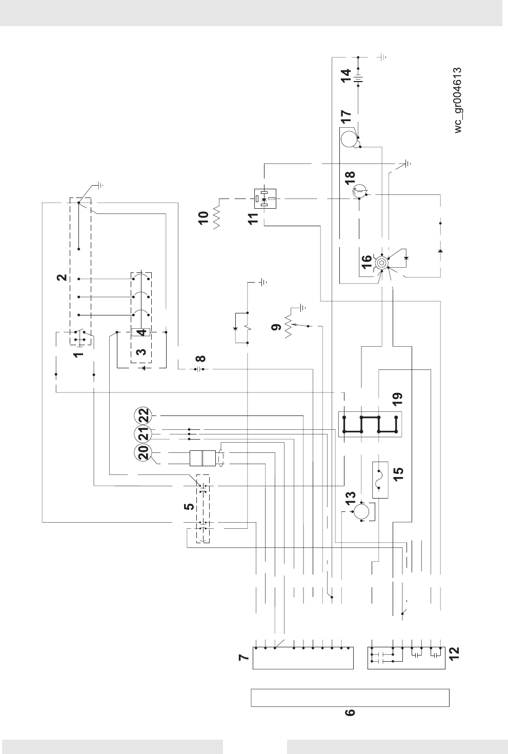
- 4.12 G 50/G 70 Engine Wiring
- 4.13 G 85 & G 70 w/ECU Engine Wiring
- 5 Factory-Installed Options
- 5.1 Block Heater
- 5.2 Fuel/Water Separator
- 5.3 Electronic Governor
- 5.4 LCD Strip Heater
- 5.5 Low Coolant Shutdown
- 5.6 Lube Level Maintainer
- 5.7 Temperature-Activated Shutters
- 5.8 Lockable Battery Disconnect
- 5.9 Wiring Diagram
- 5.10 Wiring Diagram Components
- 5.11 Cam-Lock
- 5.12 Containment System
- 6. Technical Data
- 6.1 Engine Data
- 6.2 Generator Data
- 6.3 Trailer and Skid Data
- 6.4 Dimensions

G 50/G 70/G 85 Maintenance
wc_tx000484gb.fm 63
G 50/G 70 Engine Wiring
46
46
GROUND TO
GROUND TO
ENCLOSURE
ENCLOSURE
BOX STUD
BOX STUD
79
79
47
47
R
12
12
13
13
11
11
86
86
85
85
30
30
L0
L0
L3
L3
L2
L2
L2
L2
L1
L1
2
OR
OR
Y
44
44
Y
35
35
47
47
79
79
60
60
LL
LL
B
34
34
35
35
35
35
W
B
RELAY
RELAY
65
65
59
59
+ -
B
+
B
11
11
13
13
D
+
15
15
14
14
B
+
R
R
14
14
B
B
+
50
50
51
51
C
63
63
+
15
15
62
62
Y
R
Y
B
OR
OR
50
50
Y
45
45
B
V
88
88
56
56
87
87
44
44
OR
OR
B
20
20
G
NO
NO
W/L
W/L
W
55
55
54
54
G/Y
G/Y
46
46
V
61
61
34
34
G
NO
NO
R
NC
NC
64
64
R
NC
NC
57
57
61
61
10
10
55
55
55
55
54
54
2
1
B
+
2
20
20
TERM
TERM
BLOCK
BLOCK
17
17
10 A FUSE
10 A FUSE
48
48
51
51
49
49
53
53
88 OIL PRESSURE
88 OIL PRESSURE
TOGGLE
TOGGLE
SWITCH
SWITCH
18
18
52
52
52
52
49
49
+
-
62
62
60
60
57
57
12
12
9
5
53
53
59
59
7
8
6
+
18
18
5
63
63
1
73
73
75
75
64
64
4
3
2
+
17
17
65
65
8
7
87 OIL PRESSURE
87 OIL PRESSURE
CRANK
CRANK
FUEL
FUEL
REMOTE ANNUNCIATOR
REMOTE ANNUNCIATOR
REMOTE ANNUNCIATOR
REMOTE ANNUNCIATOR
BATTERY
BATTERY
PREHEAT
PREHEAT
BATTERY
BATTERY
E-STOP
E-STOP
MAG PICKUP
MAG PICKUP
OIL PRESSURE
OIL PRESSURE
WATER TEMP
WATER TEMP
REMOTE START
REMOTE START
FUEL LEVEL
FUEL LEVEL
BATTERY
BATTERY
BATTERY
BATTERY
56
56
3
OR
OR
W
R
R
R
R
R
R
R
Y
B
B
GR
GR
G
Y
SH
SH
W/L
W/L
Y
OR
OR
W/V
W/V
B
B
R
T
T
R
R
GR
GR
V
V
Y










