Service manual
Manuals
Brands
Vulcan-Hart Manuals
Griddle
24RRG
15
16
17
18
19
20
21
22
23
24
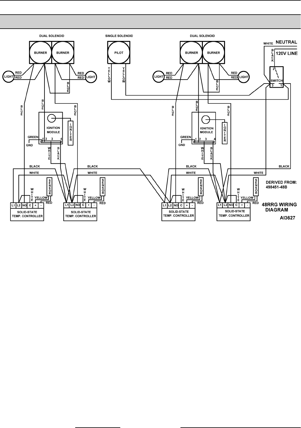
48" GRIDDLE - WIRING DIAGRAM
48" GRIDDLE - WIRING DIAGRAM
RRG SERIES HEAVY DUTY GAS GRIDDLE - ELECTRICAL OPERATION
F45514 (0214)
Page 22 of 24
1
...
...
20
21
22
23
24