Service manual
Manuals
Brands
Vulcan-Hart Manuals
Griddle
24RRG
15
16
17
18
19
20
21
22
23
24
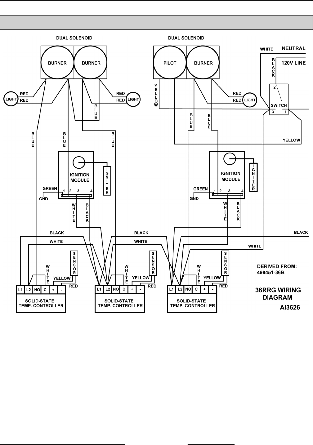
36" GRIDDLE - WIRING DIAGRAM
36" GRIDDLE - WIRING DIAGRAM
RRG SERIES HEAVY DUTY GAS GRIDDLE - ELECTRICAL OPERATION
Page 21 of 24
F45514 (0214)
1
...
...
19
20
21
22
23
...
24