Service manual
Manuals
Brands
Vulcan-Hart Manuals
Griddle
24RRG
11
12
13
14
15
16
17
18
19
20
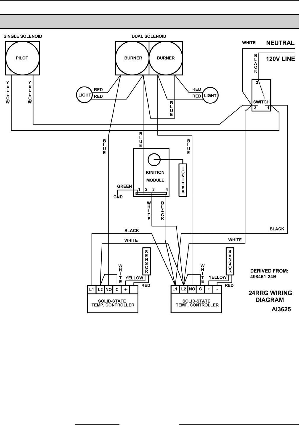
24" GRIDDLE - WIRING DIAGRAM
24" GRIDDLE - WIRING DIAGRAM
RRG SERIES HEAVY DUTY GAS GRIDDLE - ELECTRICAL OPERATION
F45514 (0214)
Page 20 of 24
1
...
...
18
19
20
21
22
23
...
24