User's Manual
Table Of Contents

5
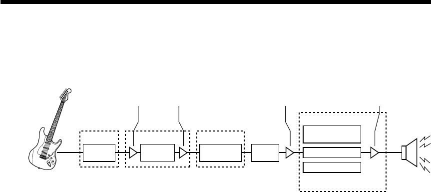
Signal path
Your guitar sound passes through the following sections.
Refer to “Top and rear panels” (p.8) in conjunction with this illustration.
EFFECT
PRE AMP
COMP
/OCTAVE
Select one
of 22
GAIN
VOLUME
EFFECT
MODULATION
/DELAY
REVERB
MASTER
VALVE REACTOR
CLASS A or AB
VALVE
ECC83 (12AX7)
FEEDBACK CIRCUIT
POWER LEVEL
Circuit is determined
by Pre Amp selection
VT15/30 Signal route
What is Valve Reactor technology?
The Valve Reactor circuit used in the power amp of this VT15/30 combo amp is based
on new technology. Most of the sound creation and tonal shaping is performed in the
digital domain, but the Valve Reactor power amp is 100% analog. Passing the guitar
signal through the analog-domain power amp stage is an important factor in capturing
the feel and tone of the original amp for that model.
Valve Reactor’s power stage is a miniature version of a true tube push/pull power
amp. It uses a 12AX7 tube (dual triode; in other words, two vacuum tubes in one), and
is similar to a true tube amp with an output transformer. Rather than connecting the
vacuum tube directly to a speaker via an output transformer, the signal is converted by
a virtual output transformer in which solid stage components emulate the output trans-
former, and the final output stage circuit is connected to a specially designed VariAmp
power circuit. This allows the output of the power stage to be continuously varied
from minimum output to maximum output.
This VariAmp power circuit is completely transparent – i.e., it does not modify the
signal – so the output tone will be the pure sound of a tube amp. The wide dynamic
range seen in a conventional tube amp is also maintained. This dynamic range is a
characteristic that is difficult to obtain from a solid-state amp; this is why a tube amp
sounds more powerful than a solid-stage amp of the same output specifications. The
output of the Valve Reactor power amp “reads” the constantly changing impedance
curve of the connected speaker system, and feeds this information back to the vacuum
tube. In response to this information, the operation of the amp’s tube stage will vary
according to the speaker load (impedance). This too is an important element in the
sound of a true tube amp. In addition to producing lively tube sound, “circuitry char-
acteristics” distinctive of the full-tube power stage in the amp being modeled can also
be simulated. These characteristics include class-A, class-AB, and power output. By
adjusting these characteristics (except for the power output, which the user specifies),
every sound of that amp model can be faithfully reproduced. This power amp technol-
ogy, for which a U.S. patent has been obtained, is unique to the VOX Valvetronix amps.










