Datasheet

MUR2020CT, MURB2020CT, MURB2020CT-1
Bulletin PD-20729 rev. B 01/01
6
3.78 (0.15)
3.54 (0.14)
10.54 (0.41)
MAX.
DIA.
15.24 (0.60)
14.84 (0.58)
2.92 (0.11)
2.54 (0.10)
1
TERM 2
14.09 (0.55)
13.47 (0.53)
3.96 (0.16)
3.55 (0.14)
0.94 (0.04)
0.69 (0.03)
4.57 (0.18)
4.32 (0.17)
3
0.61 (0.02) MAX.
5.08 (0.20) REF.
1.32 (0.05)
1.22 (0.05)
6.48 (0.25)
6.23 (0.24)
2°
0.10 (0.004)
1.40 (0.05)
1.15 (0.04)
2.89 (0.11)
2.64 (0.10)
1
3
2.04 (0.080) MAX.
2
2
2
BASE
COMMON
CATHODE
123
ANODE
COMMON
CATHODE
A
NODE
12
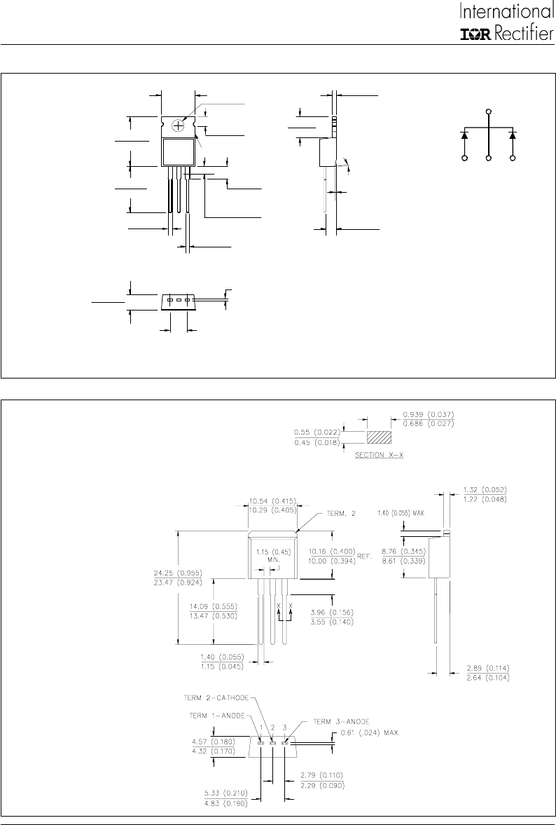
Conforms to JEDEC Outline TO-220AB
Dimensions in millimeters and (inches)
Outline Table
Dimensions in millimeters and (inches)
Modified JEDEC outline TO-262








