Datasheet

BFC2 808 .....
www.vishay.com
Vishay BCcomponents
Revision: 04-Aug-15
2
Document Number: 28527
For technical questions, contact: dc-film@vishay.com
THIS DOCUMENT IS SUBJECT TO CHANGE WITHOUT NOTICE. THE PRODUCTS DESCRIBED HEREIN AND THIS DOCUMENT
ARE SUBJECT TO SPECIFIC DISCLAIMERS, SET FORTH AT www.vishay.com/doc?91000
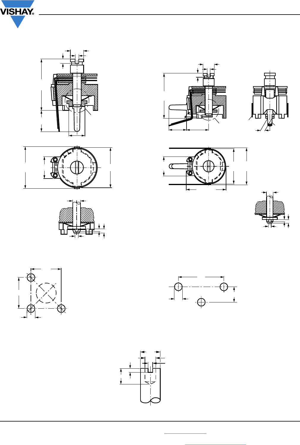
DIMENSIONS in millimeters
Trimmers BFC2 808 ..... series, vertical version Trimmers BFC2 808 ..... series, horizontal version
Hole pattern
ADJUSTMENT
For top adjustment a screwdriver or trimming key can be used; for bottom adjustment a key is required as shown below.
Bottom adjustment key
3 ± 0.2
10
(1)
max.
Ø 2.5
Z
0.6
0.7
ROUND HEAD
4.5 ± 0.2
7.6 ± 0.1
8
max.
4 ± 0.5
0.6 ± 0.1
0.5
± 0.15
0.95 ± 0.2
Ø 1.6DETAIL Z
turned 90°
1.15 max.
Stator
Rotor (2 x)
Ø 2.5
Z
0.6
0.7
4.5
± 0.2
7.6
± 0.1
8.6
max.
4 ± 0.5
8.6 ± 0.2
110° ± 5°
0.6 ± 0.1
0.5
± 0.15
0.95
± 0.2
Ø 1.6
DETAIL Z
turned 90°
10
max.
5
0
- 0.1
R
S R
1.3
5.08
5.08
R = Rotor, S = Stator
The large hole is for bottom
adjustment and the diameter is
determined by user’s requirements.
1.3
2.5
7.5
RR
S
R = Rotor, S = Stator
Ø 3
2 min.
Ø 1.7
+ 0.1
0
0.7
+ 0.1
0
0.6
+ 0.2
0