Datasheet

12CTQ... Series
6
Bulletin PD-20554 rev. B 07/01
www.irf.com
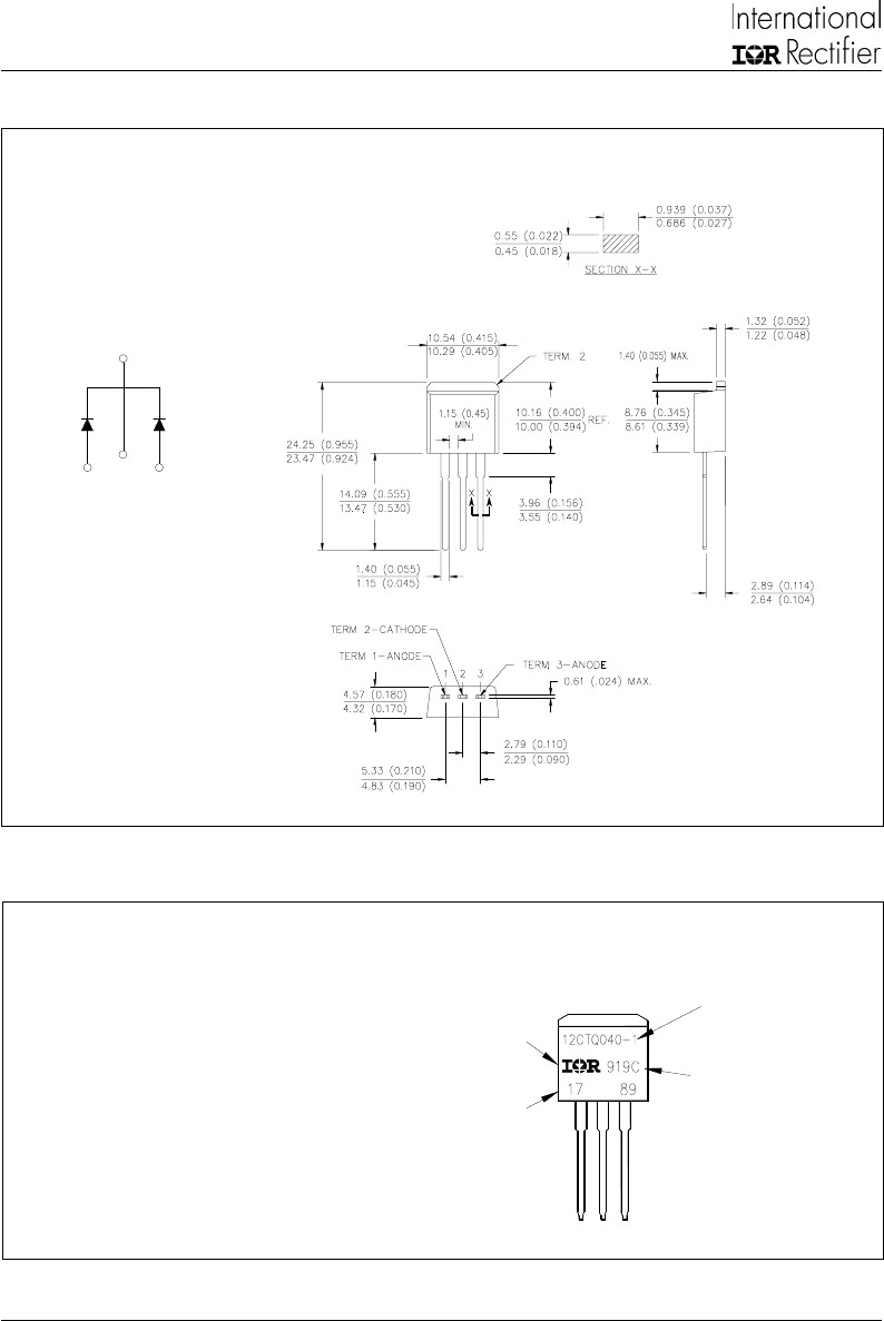
Outline Table
Modified JEDEC outline TO-262
Dimensions in millimeters and (inches)
Anode
1
3
2
Base
Common
Cathode
2
A
node
Common
Cathode
Marking Information
EXAMPLE: THIS IS A 12CTQ040-1
LOT CODE 1789
ASSEMBLY
PART NUMBER
DATE CODE
WEEK 19
LINE C
LOT CODE
YEAR 9 = 1999
ASSEMBLED ON WW 19, 1999
IN THE ASSEMBLY LINE "C"
LOGO
RECTIFIER
INTERNATIONAL








