Install Instructions
7 | PIR Ready VT7200 Series-Installation Guide
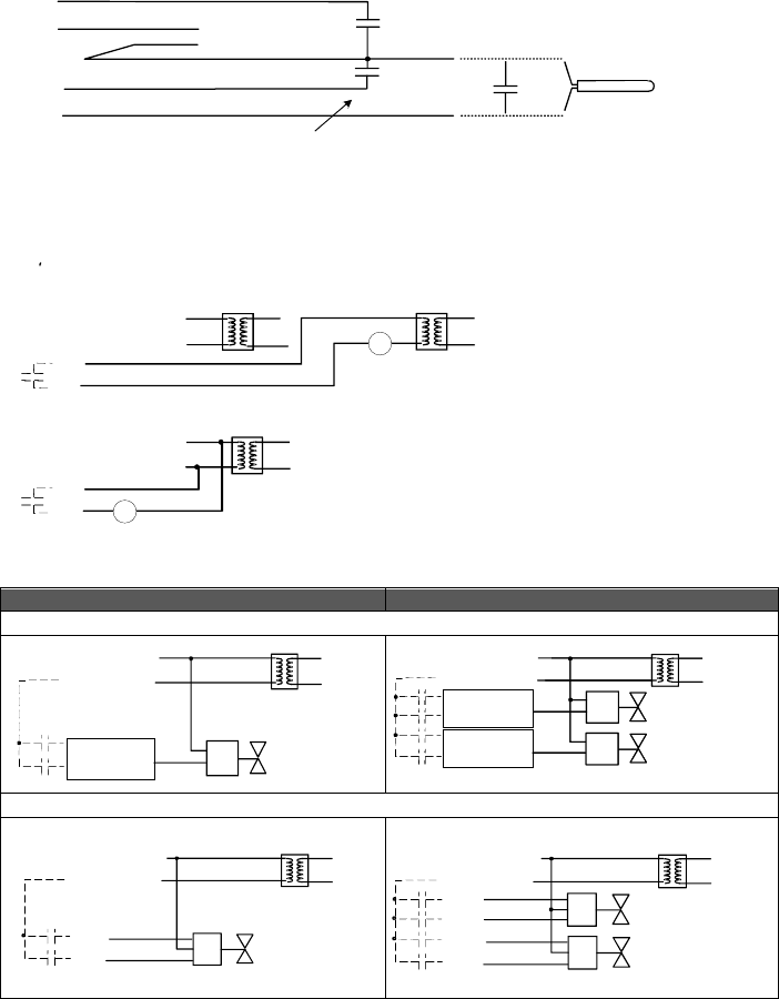
Wiring
Main outputs wiring
Single output applications
Dual output applications
On-Off control VT7200C5x00(x)
Floating control VT7200C5x00(x)
Remote inputs ( All models )
BI 1
RS
Scom
BI 2
UI 3
OR
Contact
- Rem NSB
- Motion
- Window
Contact
- Door
- Remote Override
- Filter alarm
- service alarm
Remote wall sensor
- S3010W1000
- S3020W1000
SS ( supply sensor )
- S1010E1000
- S2000D1000
COS ( changeover sensor )
- S1010E1000
COC/NH
- Normally heat
- Closed contact = cold water
COC/NC
- Normally cool
- Closed contact = heat water
#4 24 V~ Hot
#5 24 V~ Com
#6
#7
#4 24 V~ Hot
#5 24 V~ Com
#6
#7
Auxiliary output
( All models )
- Dry contact to end device 24 V~ maximum
- 24 VAC power to relay
R
R
Heating / Cooling valve
24 VAC
Com
OR
24 V~ Hot
24 V~ Com
BO1
if N.O.
BO2
if N.C.
24 V~ Hot
24 V~ Com
BO3
if N.O.
BO4
if N.C.
BO1
if N.O.
BO2
if N.C.
24 Vac
Com
Heating valve
Cooling valve
24 Vac
Com
OR
OR
24 VAC
Com
Heating valve
Cooling valve
24 VAC
Com
OR
OR
Open
Com
Close
Heating / Cooling valve
24 V~ Hot
24 V~ Com
BO1
BO2
Open
Com
Close
Heating valve
Open
Com
Close
Cooling valve
24 V~ Hot
24 V~ Com
BO3
BO4
BO1
BO2
