Product Manual

7
Air Bleed Procedure
If the forks descend very slowly or will not descend at all, air is likely trapped in the hydraulic cir-
cuit and must be bled from the system. The High Rise Lift Truck utilizes a bleeder screw at the top of
the cylinder. To bleed air from the hydraulic circuit, follow these directions.
1.) Loosen the bleeder screw at the to of the cylinder approximately 1/4 to 1/2 turn to allow trapped
air to escape. Depressed the foot pump treadle or job the motor to push the out of the system.
2.) When the cylinder is free of air only clear hydraulic fluid will be visible at the bleeder screw. Tighten
the hose fitting.
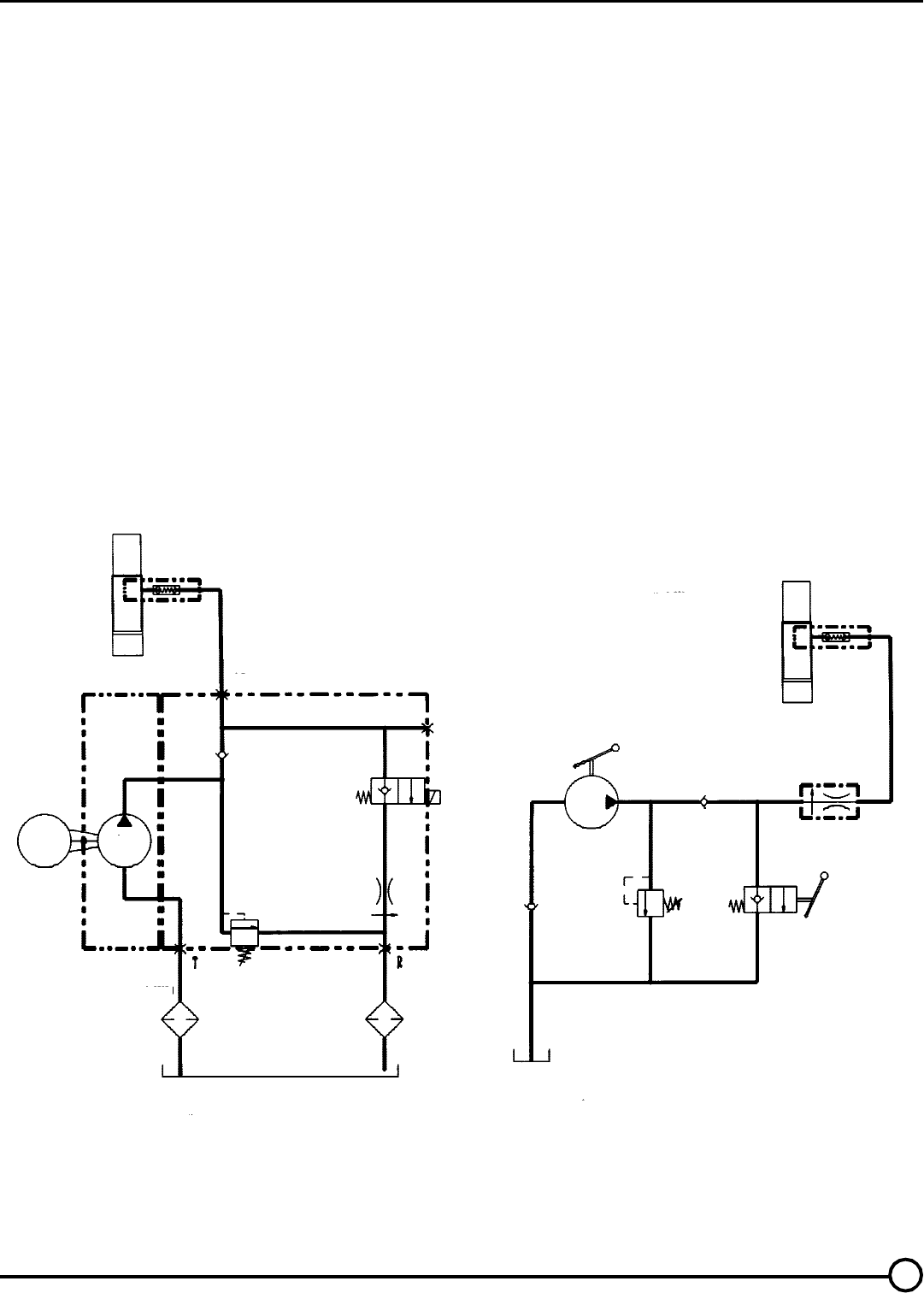
HYDRAULIC SCHEMATIC
ELECTRIC POWER UNIT
HYDRAULIC DIAGRAM
MANUAL FOOT PUMP
HYDRAULIC DIAGRAM
1.5" X 18" DISPLACEMENT
CYLINDER W/INTERNAL
VELOCITY FUSE
LC/TC
LC/TC
LY/FC
PRESSURE
CHECK VALVE
ADJ. PRESSURE
RELIEF VALVE
PRESS. COMPENSATED
FLOW CONTROL
LOWERING VALVE
RETURN
FILTER
10 Micron
SUCTION
FILTER
100 Micron
1 MTR.
HYD.
PUMP
1.5" x 18" DISPLACEMENT CYLINDER
W/INTERNAL VELOCITY FUSE
TWO-SPEED
FOOT PUMP
PRESSURE
CHECK VALVE
ADJ. PRESSURE
RELIEF VALVE
LOWERING VALVE
PRESSURE
CHECK VALVE
PRESS. COMPENSATED
FLOW CONTROL
1 GPM