Service manual

Table Of Contents
L-1
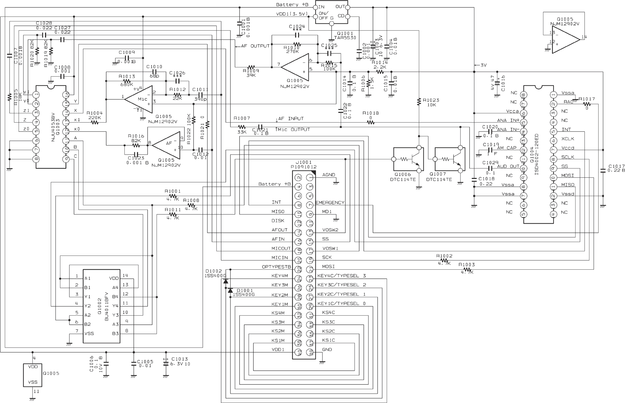
DVS-5 Voice Storage Unit (Option)
Circuit Diagram