Operating instructions

32
73D0024
KHLDV Series Gas Fireplace
A/C Module
Control Board
RF Receiver
ON/OFF Button
Pilot
Black / Thermopile
Red / Thermopile
Sensor
Ignitor / Sparker
Conversion
NG/LP
Plug-in Connector
Control Board to Command Center
OFF/LO
LED
ON/HI
Master Switch
Command Center
Optional
Wall Switch
Plug-in Connector
Stepper Motor to
Control Board
DC Power/Green
Ground
Plug-in Connector
Control Board to
Solenoid
Gas In
Gas Out
Pilot Gas Tubing
Valve
A/C Module
FP2704
SCS wiring diagram
To Outlet
Light
300 Watt
Max
Optional Blower
300 Watt
Max
Rear Burner Solenoid
300 Watt Max
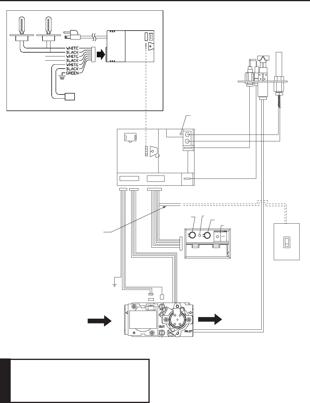
Figure 40 -
Signature Command Wiring Diagram
Wall switch wires must
be connected together if a wall
switch is not being used.










