- Vermont Castings Installation & Operating Manual Electric Fireplace

10004758
BREF Electric Fireplace
14
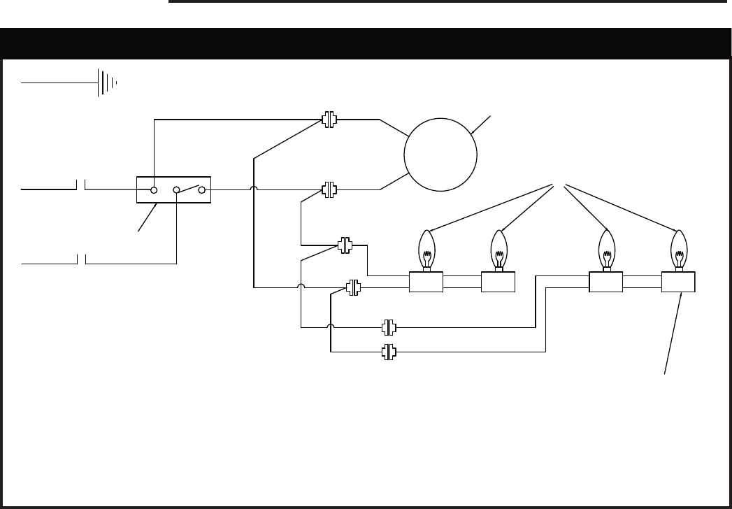
CFM Component Identiļ¬cation
1. Switch
2. Flame Motor
3. Light Bulb
4. Light Socket w/Wiring Assembly
6. CFM Wire req'd
Electrical Wiring Diagram without Heater and Integral Remote Control
FP1540
Fig. 14 Wiring diagram for models without heat. (BREF30NH/BREF36NH/BREF42NH)
5 WHITE
2 BLACK
L1
N
G
3 BLACK
6 WHITE
1 BLACK
7 WHITE
4 BLACK
BLACK
WHITE
BLACK
WHITE
MOTOR
FLAME
3
4
2
1
8 WHITE
I
O
3
2
1
FP1540
BREF
no heat wiring
1/05










