Specifications

18
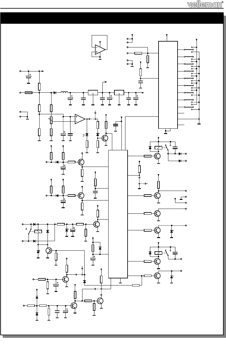
28. Main diagram
Diagram
WARNING OUT
DIRECTION LIGHT
S
VDD
C9
D11
RY2
RA0RTCC
+V+V3
R28
R22
D4
T3
CODELOCK
R29
R40
R24
+V
CODELOCK IN
F
AN SENS IN
C8
R26
D6
C18
R8
R25
R34
D5
R15
+V3
C17
T2
+V
R16
R14
CONTACT1
CONTACT2
WARNING SENSORS IN
DIRECT SENSORS IN
C14
D10
T12
RY1
D9
ZD3
D8
C15
ZD2
R32
D2
R13
+V3
R21
+V
D1
R12
R20
C13
C10
T11
RY3
C16
R7
R19
R27
T4
13
R36
POS
R35
NEG
+V
R17
VSSRB7
59
11
RB3
RB5
ZD5
T7
OUTSIDE SIREN / PAGE
R
DOOR LOCK OUT SIGNA
L
R37
R38
R10
R9
D12
R18
+V
IC3
2
4
(PIC16C54’RC)
R23
R33
+V
D3
RST
R31
T1
RA3
12
VK3511
10
RB6
RB4
7
16
6
R30
C1
RB0
OSC
+V
RB1
1
18
RA2
RA1
173
8
14
+V
RB2
INSIDE SIREN +
+V3
ZD4
T6
+V3
T10
INSIDE SIREN -
+V
T5
R6
T9
DASHBOARD LED -
DASHBOARD LED +
LEFT
RIGHT
D14
D13
A1
+12V IN
GND
GND
+
12V OUT
D7 L1
F1
R2
R1
RV1
C19
R4
C6
2
R3
3
C20
+V3
+V
+V+V1
R46
+V
C2
R39
+V
C12
I O
VR2
I O
VR1
C11
R42
T8
R41
ZD1
1
VOLTAGE DROP JP1
C3
+V
C4
+V
C7
C5
+V1
A1,A2 = IC1
A2
5
6
7
4
+V1
8
IR GND
IR +9V
RF GND
RF +9V
RF Rx IN
IR Rx IN
7
MODE
+V3
14
VSS
15
OUT
17
11
A12
12 NC
A9
A10
A11
10
9
NC
A8
8
UM3758-120A
R45
OSC
13
IC2
Rx IN
16
18
VDD
3
5
A7
A6
6
A5
A4
4
1
A3
A2
2
A1
C21
R5
R11
LD1
T13
T14
+V
+V
R43
R44
JP3
5MIN
NC
DIRECT
ARM
TIME
NC
OFF
ON
JP4 BLOWER
NC
OFF
ON
JP2