Specifications
Manuals
Brands
Velleman Manuals
Automotive
K3511
11
12
13
14
15
16
17
18
19
20
16
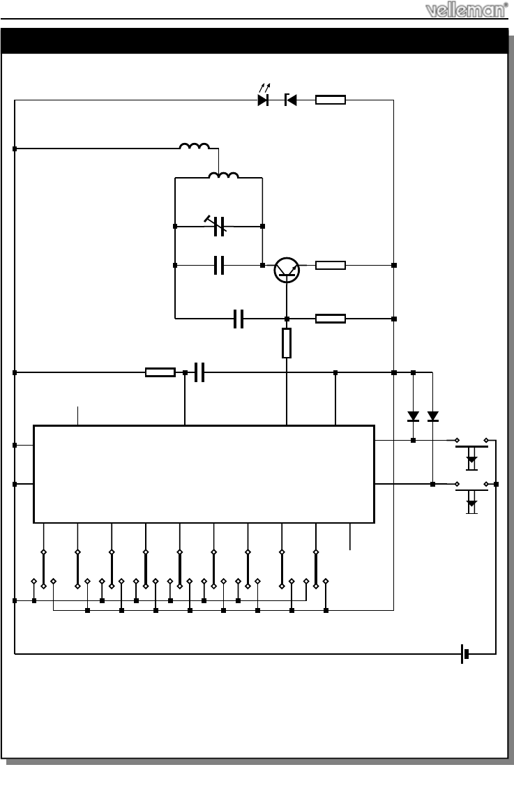
26. Diagram Remote Transmitter
Diagram
D1
4
B
ATTERY
12V
-
+
A11
A12
SW1
SW2
D2
UM3758-120A
NC
A10
10
A9
A8
9
8
A6
A7
7
6
A5
5
17
14
12
11
VSS
TX
13
IC1
OSC
A4
A3
3
A2
A1
2
1
MODE
VDD
16
18
15
RX
NC
R1
L2
C1
T1
R3
R2
C3
C2
R4
CV
LD1
R5
ZD1
L1
1
...
...
14
15
16
17
18
19
...
20