Assembly instructions User Manual
Manuals
Brands
Velleman projects Manuals
Hardware
K7300
7
8
9
10
11
12
13
14
15
16
14
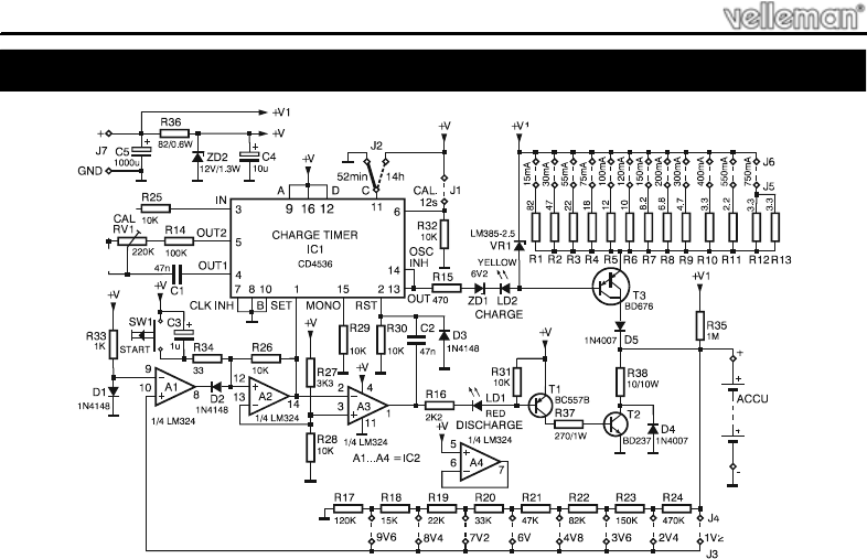
28. Diagram
Diagram
1
...
...
12
13
14
15
16