Datasheet
Manuals
Brands
Value Manuals
computer cables
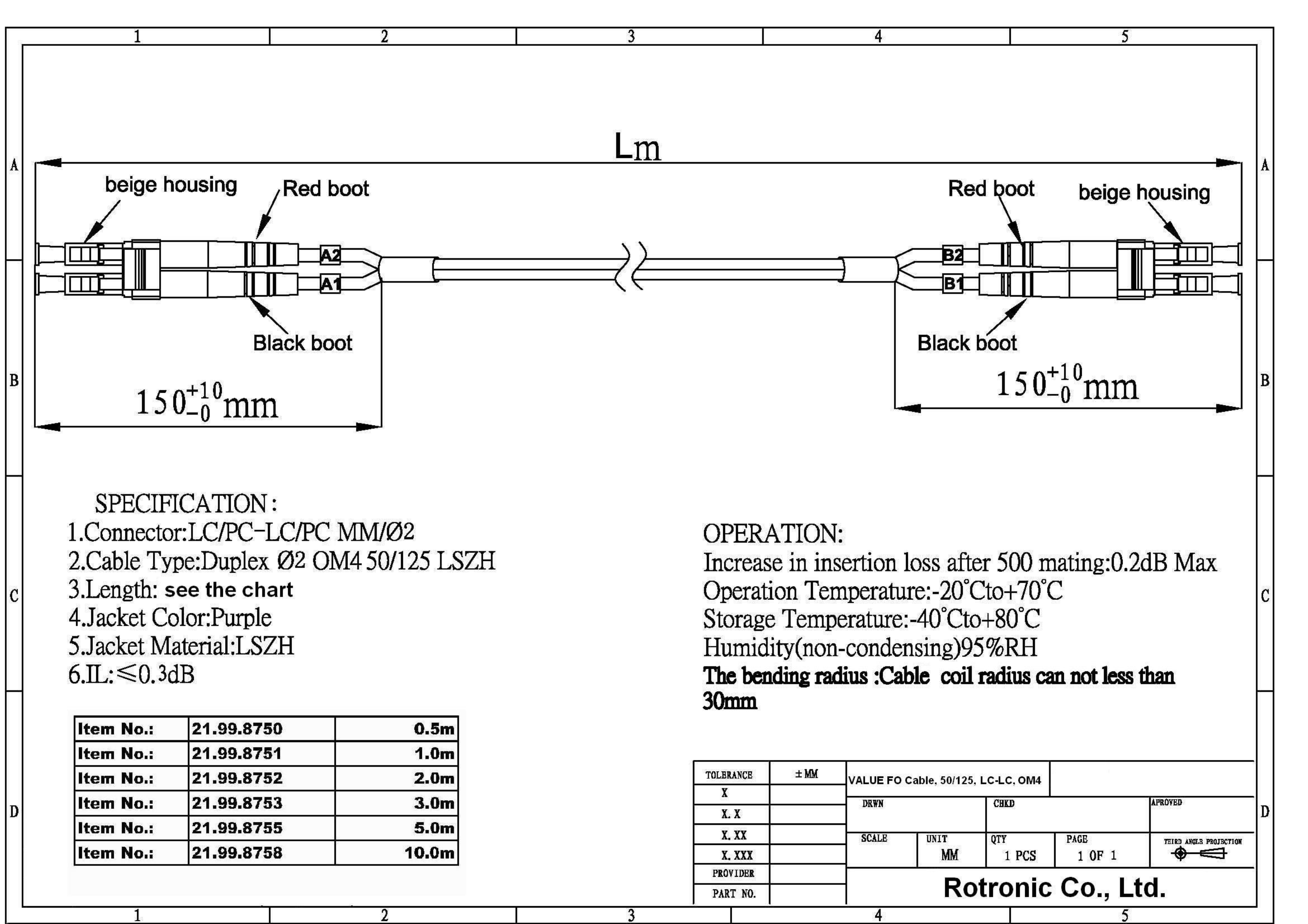
21.99.8758
1
2
1
2