Technical data

Diagrams 11
Instructions for Installation and Servicing turboMAX pro R3 37
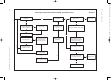
power supply
F2A
L
2
N
1
main switch
main
transformer
230V
20V
air
pressure
switch
fan
pump
NTC flow
temperature
sensor
flame
sensor
gas
valve
aqua
sensor
F1,25A
NTC return
temperature
sensor
Burner lock out
indicator (red)
Hot water demand
indicator
Central heating
demand indicator
Fan operation
indicator
Ignition indicator
Flame indicator
Power on indicator
(green)
main switchboard
ignition
electrodes
Legend
b blue
br brown
y/g yellow/green
rred
p pink
t transparent
bl black
gr grey
w white
gr
b
br
y/g
bbr
y/g
br
t
w
p
t
br
br
r
b
br
y/g
Reset button
gr
p
p
r
control box
diverter
valve
bl
bl
bl
bl
wps
11.1 Functional Flow diagram: turboMAX pro 24 E and 28 E
833792_41GB_012005.qxd 09.03.2005 16:47 Uhr Seite 37