Thermostat User Manual
Table Of Contents
- Welcome To Your THZ-100 Thermostat
- Installing Your THZ-100 Thermostat
- Wiring Your THZ-100 Thermostat
- Definitions
- Single Stage Furnace and Single Stage A/C
- Dual Stage Furnace and Dual Stage A/C
- Single Stage Heat Pump with Reversing Valve O
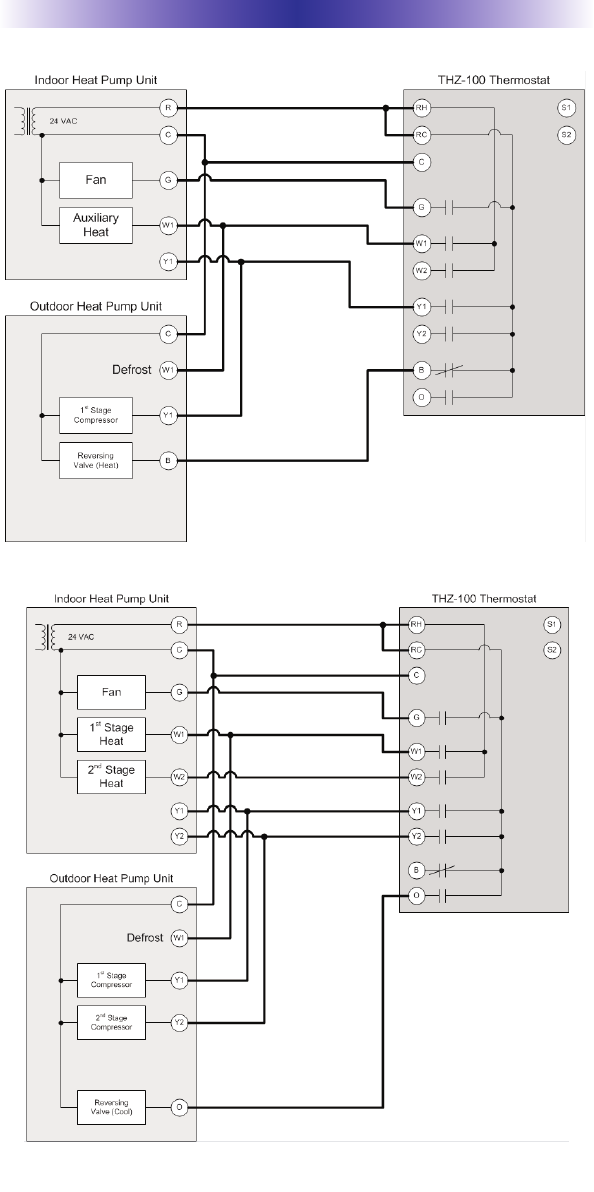
- Single Stage Heat Pump with Reversing Valve B
- Dual Stage Heat Pump with Reversing Valve O
- Dual Stage Heat Pump with Reversing Valve B
- Boiler and A/C with Separate Transformers
- First Stage Radiant Floor Heat, Second Stage Furnace with Single Stage Cooling and External Pilot Duty Relay
- Operation For Your THZ-100 Thermostat
- Thermostat Display Information
- Changing the Heating Temperature (Temperature Override)
- Changing the Cooling Temperature (Temperature Override)
- Auxiliary Heat
- Emergency Heat
- Password Protection
- Programs
- Options
- Climate Modes
- Changing the Fan Modes
- Accessing Temperature Sensor Information
- Turning Emergency Heat On or Off
- Changing the Auxiliary Heat Offset Temperature
- Changing the 2nd Stage Offset Temperature
- Resetting the Filter Reminder
- Turning the Password Protect Feature On or Off
- Changing the LCD Screen Options
- Viewing THZ-100 Thermostat Information
- Setting the Date and Time
- Discovery Mode
- Troubleshooting Thermostat On-Screen Notifications
- Resetting the THZ-100 hermostat











