Owner manual

Page 9
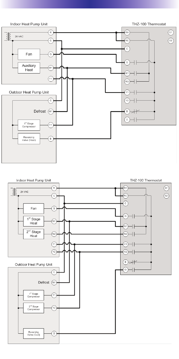
THZ-100 THERMOSTAT
Single Stage Heat Pump with Reversing Valve B
Dual Stage Heat Pump with Reversing Valve O