Owner manual

Page 8
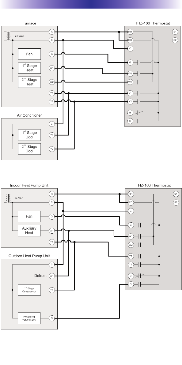
THZ-100 THERMOSTAT
Dual Stage Furnace and Dual Stage A/C
Single Stage Heat Pump with Reversing Valve O