Owner manual

Page 11
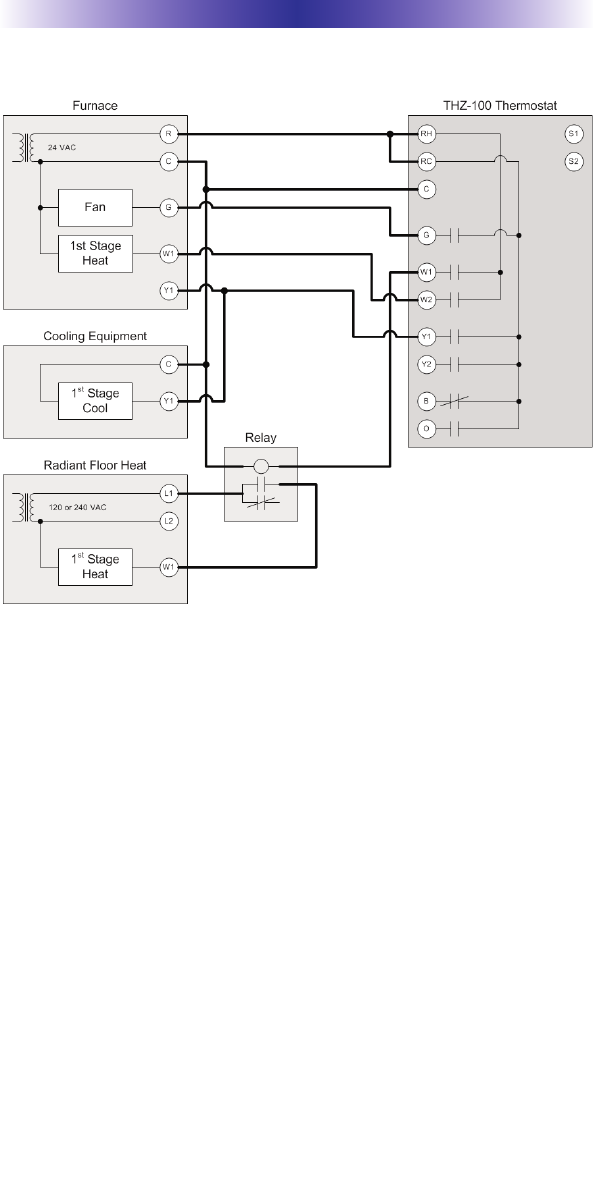
THZ-100 THERMOSTAT
First Stage Radiant Floor Heat, Second Stage Furnace
with Single Stage Cooling and External Pilot Duty Relay