Owner manual

Page 10
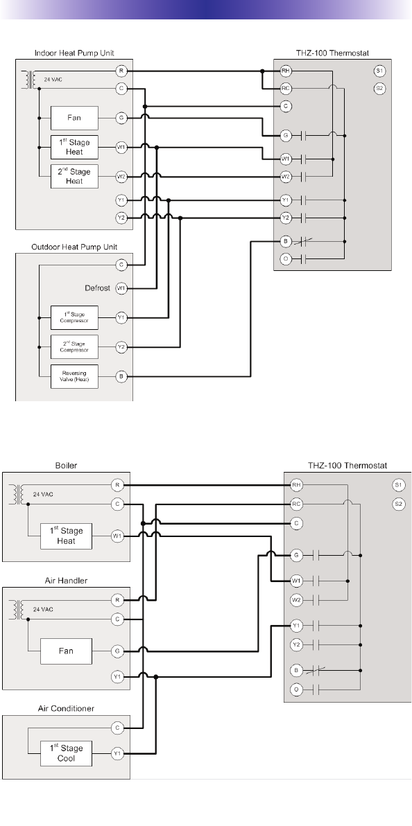
THZ-100 THERMOSTAT
Dual Stage Heat Pump with Reversing Valve B
Boiler and A/C with Separate Transformers